Haws SP178 Bruksanvisning
Haws ej kategoriserat SP178
Läs gratis den bruksanvisning för Haws SP178 (1 sidor) i kategorin ej kategoriserat. Guiden har ansetts hjälpsam av 2 personer och har ett genomsnittsbetyg på 4.0 stjärnor baserat på 5 recensioner. Har du en fråga om Haws SP178 eller vill du ställa frågor till andra användare av produkten? Ställ en fråga
Sida 1/1

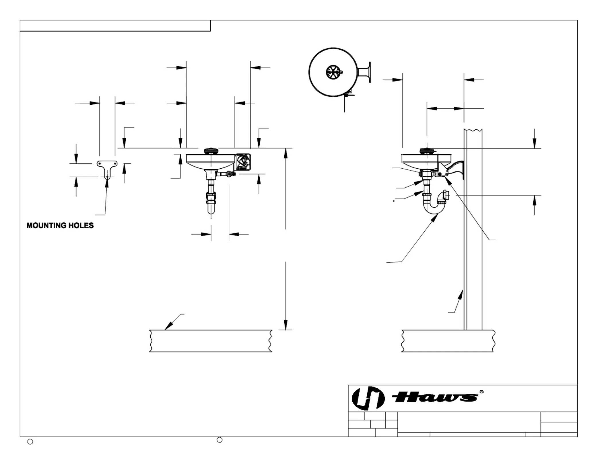
3 1/2 [89]
3 [76]
1-1/2 (F) NPT
WASTE TRAP
(SUPPLIED
W/7360BT &
7460BT ONLY)
MAX. 45" [1143]
MIN. 33" [838]
FLOOR LINE
WALL FACE
L-STRAINER
1-1/4 NPT
14 3/4 [372]
11 [281]
6 [151]
1 [28]
3 1/2 [89]
TOP VIEW
8 1/2 [216]
14 1/16 [356]
1/2 IPS
SUPPLY
10 3/4 [272] ± 1 [25]
WALL
MOUNT
DETAIL
NOTES:
1. METRIC DIMENSIONS ARE IN BRACKETS [X].
2. TO COMPLY WITH ANSI Z358.1-2009 FOR EMERGENCY EYEWASH OR EYE/FACE WASH:
- UNIT SHALL BE INSTALLED IN ACCORDANCE WITH MANUFACTURER'S INSTRUCTIONS AND ACCEPTABLE PLUMBING PRACTICES.
- EYEWASH OR EYE/FACE WASH SHALL BE POSITIONED WITH NOZZLES NOT LESS THEN 83.8 CM (33 IN.) AND NO GREATER THAN
114.3 CM (45 IN.) FROM SURFACE ON WHICH USER STANDS AND 15.3 CM (6 IN.) MINIMUM FROM WALL OR NEAREST
OBSTRUCTION.
3. DIMENSIONS MAY VARY BY ± 1/2 [13].
4 1/4 [105]
(MOUNTING HARDWARE
NOT SUPPLIED)
3X ø5/16 [ø8]
TAILPIECE 1 1/4" O.D
(SUPPLIED WITH
7360BT-7460BT ONLY)
APPROVED:
DRAWN:
PART NUMBER
SCALE:
SHEETOF
REVISION
DRAWING TYPE:SIZE: A
BY:ECN NO.
PAGE
DATE:
DATE:
ECN:
REVISED PER
CHK'D.:
Haws Corporation - All Rights Reserved.
HAWS and other trademarks used in these materials are the exclusive property of Haws Corporation.
C
R
MODEL(S)
1455 KLEPPE LANE
SPARKS, NEVADA 89431
(775) 359-4712 FAX (775) 359-7424
E-MAIL: HAWS@HAWSCO.COM
WEBSITE: WWW.HAWSCO.COM
THIS DOCUMENT IS TRUE AND CORRECT AT TIME OF PUBLICATION. CONTINUED PRODUCT IMPROVEMENTS
MAKE SPECIFICATIONS AND MEASUREMENTS SUBJECT TO CHANGE WITHOUT NOTICE.
IR
4/28/08
12A.1
0002080042.D
7360B-7460B/7360BT-7460BT
1:1
11
07/25/16
4110
VWC
4 of 4
INSTALLATION
5113
2016
VWC
Produktspecifikationer
| Varumärke: | Haws |
| Kategori: | ej kategoriserat |
| Modell: | SP178 |
Behöver du hjälp?
Om du behöver hjälp med Haws SP178 ställ en fråga nedan och andra användare kommer att svara dig
ej kategoriserat Haws Manualer
15 Februari 2026
15 Februari 2026
13 Februari 2026
12 Februari 2026
11 Februari 2026
11 Februari 2026
11 Februari 2026
10 Februari 2026
10 Februari 2026
24 September 2025
ej kategoriserat Manualer
Nyaste ej kategoriserat Manualer
15 Februari 2026
15 Februari 2026
15 Februari 2026
15 Februari 2026
15 Februari 2026
15 Februari 2026
15 Februari 2026
15 Februari 2026
15 Februari 2026
15 Februari 2026