Texas Instruments LMV931-N-Q1 Bruksanvisning
Texas Instruments ej kategoriserat LMV931-N-Q1
Läs gratis den bruksanvisning för Texas Instruments LMV931-N-Q1 (44 sidor) i kategorin ej kategoriserat. Guiden har ansetts hjälpsam av 2 personer och har ett genomsnittsbetyg på 4.8 stjärnor baserat på 8 recensioner. Har du en fråga om Texas Instruments LMV931-N-Q1 eller vill du ställa frågor till andra användare av produkten? Ställ en fråga
Sida 1/44

Product
Folder
Order
Now
Technical
Documents
Tools &
Software
Support &
Community
AnIMPORTANTNOTICEattheendofthisdatasheetaddressesavailability,warranty,changes,useinsafety-criticalapplications,
intellectualpropertymattersandotherimportantdisclaimers.PRODUCTIONDATA.
LMV931-N-Q1
LMV932-N-Q1
,
LMV934-N-Q1
SNOSD49–MAY2017
LMV93x-N-Q1AutomotiveSingle,Dual,Quad1.8-V,RRIOOperationalAmplifiers
1
1Features
1
•QualifiedforAutomotiveApplications
•AEC-Q100QualifiedWiththeFollowingResults:
–DeviceTemperatureGrade1:–40°Cto
+125°CAmbientOperatingTemperature
–DeviceHBMESDClassificationLevel02
–DeviceCDMESDClassificationLevelC5
•Typical1.8-VSupplyValues;UnlessOtherwise
Noted
•Specifiedat1.8V,2.7V,and5V
•OutputSwing
–With600-ΩLoad80mVfromRail
–With2-kΩLoad30mVfromRail
•V
CM
200mVBeyondRails
•SupplyCurrent(perChannel)100μA
•GainBandwidthProduct1.4MHz
•MaximumV
OS
4mV
•UltraTinyPackages
•TemperatureRange−40°Cto+125°C
•CreateaCustomDesignUsingtheLMV93x-N-Q1
WiththeWEBENCH
®
PowerDesigner
2Applications
•EngineControlUnits(ECU)
•BodyControlModules(BCM)
•BatteryManagementSystems(BMS)
•UltrasonicRangingandLIDAR
•OccupantDetection
•InfotainmentSystems
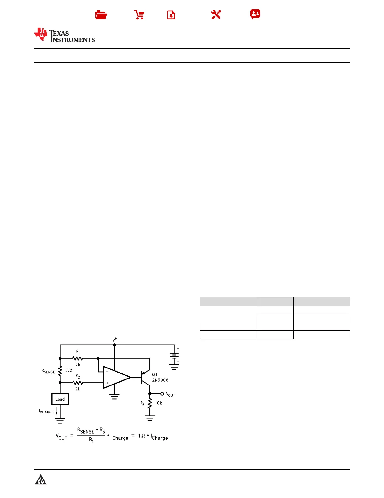
High-SideCurrentSenseAmplifier
3Description
TheLMV93x-N-Q1family(LMV931-N-Q1single,
LMV932-N-Q1dualandLMV934-N-Q1quad)are
low-voltage,low-poweroperationalamplifierswith
AEC-Q100Grade1qualificationforautomotive
applications.TheLMV93x-N-Q1familyoperatesfrom
1.8-Vto5.5-Vsupplyvoltagesandhaverail-to-rail
inputandoutput.Theinputcommon-modevoltage
extends200mVbeyondthesupplieswhichenables
userenhancedfunctionalitybeyondthesupply
voltagerange.Theoutputcanswingrail-to-rail
unloadedandwithin105mVfromtherailwith600-Ω
loadat1.8-Vsupply.TheLMV93x-N-Q1devicesare
optimizedtoworkat1.8V,whichmakethemidealfor
portabletwo-cell,battery-poweredsystemsand
single-cellLi-Ionsystems.
LMV93x-N-Q1devicesexhibitanexcellentspeed-
powerratio,achieving1.4-MHzgainbandwidth
productat1.8-Vsupplyvoltagewithverylowsupply
current.TheLMV93x-N-Q1devicescandrivea600-
Ωloadandupto1000-pFcapacitiveloadwith
minimalringing.ThesedevicesalsohaveahighDC
gainof101dB,makingthemsuitableforlow-
frequencyapplications.
ThesingleLMV93x-N-Q1isofferedinspace-saving
5-pinSC-70andSOT-23packages.Thedual
LMV932-N-Q1isina8-pinSOICpackageandthe
quadLMV934-N-Q1isina14-pinTSSOPpackage.
Thesesmallpackagesareidealsolutionsforarea
constrainedPCboardsinautomotiveapplications.
DeviceInformation
(1)
PARTNUMBERPACKAGEBODYSIZE(NOM)
LMV931-N-Q1
SOT-23(5)2.90mm×1.60mm
SC-70(5)2.00mm×1.25mm
LMV932-N-Q1SOIC(8)4.90mm×3.91mm
LMV934-N-Q1TSSOP(14)5.00mm×4.40mm
(1)Forallavailablepackages,seetheorderableaddendumat
theendofthedatasheet.
Produktspecifikationer
| Varumärke: | Texas Instruments |
| Kategori: | ej kategoriserat |
| Modell: | LMV931-N-Q1 |
Behöver du hjälp?
Om du behöver hjälp med Texas Instruments LMV931-N-Q1 ställ en fråga nedan och andra användare kommer att svara dig
ej kategoriserat Texas Instruments Manualer
26 Februari 2026
26 Februari 2026
26 Februari 2026
26 Februari 2026
26 Februari 2026
26 Februari 2026
26 Februari 2026
26 Februari 2026
26 Februari 2026
26 Februari 2026
ej kategoriserat Manualer
Nyaste ej kategoriserat Manualer
26 Februari 2026
26 Februari 2026
26 Februari 2026
26 Februari 2026
26 Februari 2026
26 Februari 2026
26 Februari 2026
26 Februari 2026
26 Februari 2026
26 Februari 2026