Texas Instruments LMX2434 Bruksanvisning
Texas Instruments ej kategoriserat LMX2434
Läs gratis den bruksanvisning för Texas Instruments LMX2434 (56 sidor) i kategorin ej kategoriserat. Guiden har ansetts hjälpsam av 2 personer och har ett genomsnittsbetyg på 4.2 stjärnor baserat på 8 recensioner. Har du en fråga om Texas Instruments LMX2434 eller vill du ställa frågor till andra användare av produkten? Ställ en fråga
Sida 1/56

Product
Folder
Sample &
Buy
Technical
Documents
Tools &
Software
Support &
Community
LMX2430
,
LMX2433
,
LMX2434
SNAS187D–FEBRUARY2003–REVISEDJANUARY2016
LMX243xPLLatinum™DualHigh-FrequencySynthesizerforRFPersonal
Communications
1Features2Applications
1
•LowCurrentConsumption
•MobileHandsets
•CordlessHandsets
–LMX2430(RF/IF):2.8mA/1.4mA
•WirelessData
–LMX2433(RF/IF):3.2mA/2mA
•CableTVTuners
–LMX2434(RF/IF):4.6mA/2.4mA
•2.25-Vto2.75-VOperation
3Description
•Synchronous/AsynchronousPowerDown
Usingaproprietarydigital-phase,locked-loop
•MultiplePLLOptions:
technique,theLMX243xdevicesgeneratevery
–LMX2430(RF/IF):3GHz/0.8GHz
stable,low-noisecontrolsignalsforRFandIFvoltage
controlledoscillators.BoththeRFandIF
–LMX2433(RF/IF):3.6GHz/1.7GHz
synthesizersincludeatwo-levelprogrammable
–LMX2434(RF/IF):5GHz/2.5GHz
chargepump.BoththeRFandIFPLLshave
•ProgrammableCharge-PumpCurrentLevels
dedicatedfastlockcircuitrywithintegratedtime-out
counterswhichrequireonlyasinglewordwriteto
–RFandIF:1or4mA
poweruporchangefrequencies.
•FastlockWithIntegratedTime-OutCounters
•DigitalFilteredLock-DetectOutput
DeviceInformation
(1)
•AnalogLockDetect(Push-Pull/Open-Drain)
PARTNUMBERPACKAGEBODYSIZE(NOM)
•1.8-VMICROWIRELogicInterface
ULGA(20)3.50mm×3.50mm
LMX243x
TSSOP(20)6.50mm×4.40mm
(1)Forallavailablepackages,seetheorderableaddendumat
theendofthedatasheet.
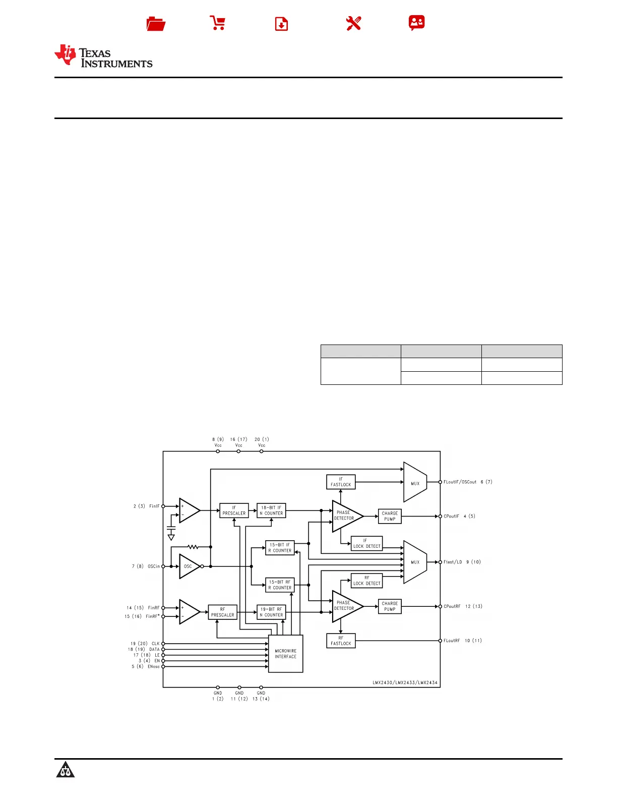
FunctionalBlockDiagram
NOTE:1(2)referstoPin1ofthe20-PinULGAandPin2ofthe20-PinTSSOP
1
AnIMPORTANTNOTICEattheendofthisdatasheetaddressesavailability,warranty,changes,useinsafety-criticalapplications,
intellectualpropertymattersandotherimportantdisclaimers.PRODUCTIONDATA.
Produktspecifikationer
| Varumärke: | Texas Instruments |
| Kategori: | ej kategoriserat |
| Modell: | LMX2434 |
Behöver du hjälp?
Om du behöver hjälp med Texas Instruments LMX2434 ställ en fråga nedan och andra användare kommer att svara dig
ej kategoriserat Texas Instruments Manualer
1 Mars 2026
1 Mars 2026
1 Mars 2026
1 Mars 2026
1 Mars 2026
1 Mars 2026
1 Mars 2026
1 Mars 2026
1 Mars 2026
1 Mars 2026
ej kategoriserat Manualer
Nyaste ej kategoriserat Manualer
1 Mars 2026
1 Mars 2026
1 Mars 2026
1 Mars 2026
1 Mars 2026
1 Mars 2026
1 Mars 2026
1 Mars 2026
1 Mars 2026
1 Mars 2026