Texas Instruments LMX2491 Bruksanvisning
Texas Instruments ej kategoriserat LMX2491
Läs gratis den bruksanvisning för Texas Instruments LMX2491 (48 sidor) i kategorin ej kategoriserat. Guiden har ansetts hjälpsam av 2 personer och har ett genomsnittsbetyg på 5.0 stjärnor baserat på 5 recensioner. Har du en fråga om Texas Instruments LMX2491 eller vill du ställa frågor till andra användare av produkten? Ställ en fråga
Sida 1/48

Vcc (x5)
GND (x3)
Fin
Fin*
OSCin
R Divider
(16 bit)
Charge
Pump
CPout
MICROWIRE
Interface
CLK
LE
DATA
CE
GND/OSCin*
2X
Vcp
MUX
MUXout
MOD
TRIG1
TRIG2
Modulation
Generator
N Divider
(18 bit)
û
Compensation
(24 bit)
18 Ÿ
68 Ÿ
R2_LF
C2_LF
C1_LF
51 Ÿ
51 Ÿ
36 Ÿ
Phase
Comp
51 Ÿ
18 Ÿ
18 Ÿ
To Circuit
Copyright © 2016, Texas Instruments Incorporated
Product
Folder
Order
Now
Technical
Documents
Tools &
Software
Support &
Community
AnIMPORTANTNOTICEattheendofthisdatasheetaddressesavailability,warranty,changes,useinsafety-criticalapplications,
intellectualpropertymattersandotherimportantdisclaimers.PRODUCTIONDATA.
LMX2491
SNAS711A–OCTOBER2016–REVISEDJANUARY2017
LMX24916.4-GHzLowNoiseRFPLLWithRamp/ChirpGeneration
1
1Features
1
•–227-dBc/HzNormalizedPLLNoise
•500-MHzto6.4-GHzWidebandPLL
•3.15-Vto5.25-VChargePumpPLLSupply
•VersatileRamp/ChirpGeneration
•200-MHzMaximumPhaseDetectorFrequency
•FSK/PSKModulationPin
•DigitalLockDetect
•Single3.3-VSupplyCapability
2Applications
•FMCWRadars
•MilitaryRadars
•MicrowaveBackhaul
•TestandMeasurement
•SatelliteCommunications
•WirelessInfrastructure
•SamplingClockforHigh-SpeedADC/DAC
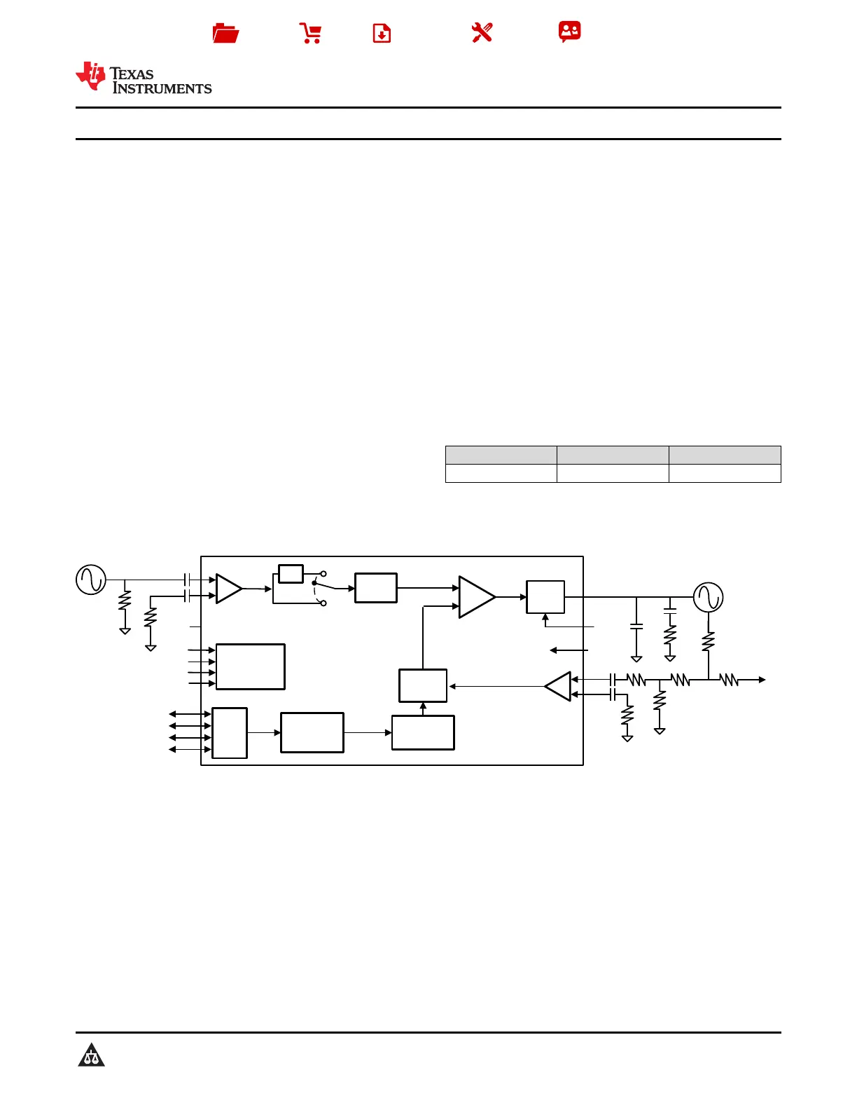
3Description
TheLMX2491deviceisalow-noise,6.4-GHz
widebanddelta-sigmafractionalNPLLwithrampand
chirpgeneration.Itconsistsofaphasefrequency
detector,programmablechargepump,andhigh
frequencyinputfortheexternalVCO.TheLMX2491
supportsabroadandflexibleclassoframping
capabilities,includingFSK,PSK,andconfigurable
piecewiselinearFMmodulationprofilesofupto8
segments.ItsupportsfinePLLresolutionandfast
rampwithuptoa200-MHzphasedetectorrate.The
LMX2491allowsanyofitsregisterstobereadback.
TheLMX2491canoperatewithasingle3.3-Vsupply.
Moreover,supportingupto5.25-Vchargepumpcan
eliminatetheneedofexternalamplifier,leadingtoa
simplersolutionwithimprovedphasenoise
performance.
DeviceInformation
PARTNUMBERPACKAGEBODYSIZE(NOM)
LMX2491WQFN(24)4.00mm×4.00mm
(1)Forallavailablepackages,seetheorderableaddendumat
theendofthedatasheet.
SimplifiedSchematic
Produktspecifikationer
| Varumärke: | Texas Instruments |
| Kategori: | ej kategoriserat |
| Modell: | LMX2491 |
Behöver du hjälp?
Om du behöver hjälp med Texas Instruments LMX2491 ställ en fråga nedan och andra användare kommer att svara dig
ej kategoriserat Texas Instruments Manualer
2 Mars 2026
2 Mars 2026
2 Mars 2026
2 Mars 2026
2 Mars 2026
2 Mars 2026
2 Mars 2026
2 Mars 2026
2 Mars 2026
2 Mars 2026
ej kategoriserat Manualer
Nyaste ej kategoriserat Manualer
2 Mars 2026
2 Mars 2026
2 Mars 2026
2 Mars 2026
2 Mars 2026
2 Mars 2026
2 Mars 2026
2 Mars 2026
1 Mars 2026
1 Mars 2026