Texas Instruments LMX2492 Bruksanvisning
Texas Instruments ej kategoriserat LMX2492
Läs gratis den bruksanvisning för Texas Instruments LMX2492 (44 sidor) i kategorin ej kategoriserat. Guiden har ansetts hjälpsam av 2 personer och har ett genomsnittsbetyg på 4.8 stjärnor baserat på 3 recensioner. Har du en fråga om Texas Instruments LMX2492 eller vill du ställa frågor till andra användare av produkten? Ställ en fråga
Sida 1/44

Vcc (x5)
GND (x3)
Fin
Fin*
OSCin
R Divider
(16 bit)
Charge
Pump
CPout
MICROWIRE
Interface
CLK
LE
DATA
CE
GND/OSCin*
2X
Vcp
MUX
MUXout
MOD
TRIG1
TRIG2
Modulation
Generator
N Divider
(18 bit)
6'
Compensation
(24 bit)
18 :
68 :
R2_LF
C2_LF
C1_LF
51 :
51 :
36 :
Phase
Comp
51 :
18 :
18 :
To Circuit
Product
Folder
Sample &
Buy
Technical
Documents
Tools &
Software
Support &
Community
LMX2492
,
LMX2492-Q1
SNAS624B–MARCH2014–REVISEDMAY2015
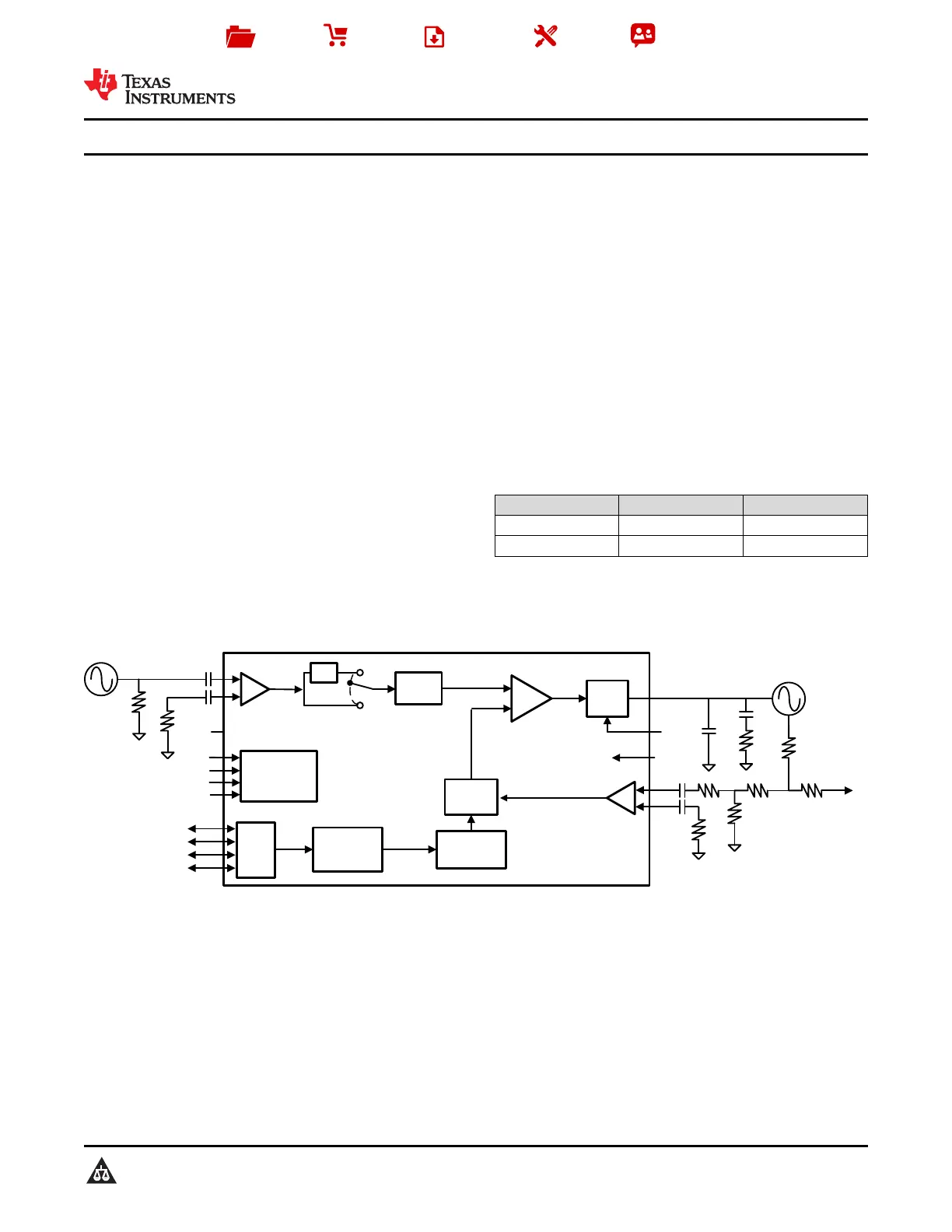
LMX2492/LMX2492-Q114GHzLowNoiseFractionalNPLLwithRamp/ChirpGeneration
1Features3Description
TheLMX2492/92-Q1isalownoise14GHz
1
•-227dBc/HzNormalizedPLLNoise
widebanddelta-sigmafractionalNPLLwithrampand
•500MHz-14GHzWidebandPLL
chirpgeneration.Itconsistsofaphasefrequency
•3.15-5.25VChargePumpPLLSupply
detector,programmablechargepump,andhigh
frequencyinputfortheexternalVCO.The
•VersatileRamp/ChirpGeneration
LMX2492/92-Q1supportsabroadandflexibleclass
•200MHzMaxPhaseDetectorFrequency
oframpingcapabilities,includingFSK,PSK,and
•FSK/PSKModulationPin
configurablepiecewiselinearFMmodulationprofiles
ofupto8segments.ItsupportsfinePLLresolution
•DigitalLockDetect
andfastrampwithuptoa200MHzphasedetector
•Single3.3VSupplyCapability
rate.TheLMX2492/92-Q1allowsanyofitsregisters
•Automotive125°CQ100Grade1Qualification
tobereadback.TheLMX2492/92-Q1canoperate
•Non-Automotive(LMX2492)Option
withasingle3.3Vsupply.Moreover,supportingupto
5.25Vchargepumpcaneliminatetheneedof
externalamplifier,leadingtoasimplersolutionwith
2Applications
improvedphasenoiseperformance.
•AutomotiveFMCWRadar
•MilitaryRadar
DeviceInformation
•MicrowaveBackhaul
PARTNUMBERPACKAGEBODYSIZE(NOM)
LMX2492-Q1RTWWQFN(24)4.00mmx4.00mm
•TestandMeasurement
LMX2492RTWWQFN(24)4.00mmx4.00mm
•SatelliteCommunications
•WirelessInfrastructure
(1)Forallavailablepackages,seetheorderableaddendumat
theendofthedatasheet.
•SamplingClockforHighSpeedADC/DAC
4SimplifiedSchematic
1
AnIMPORTANTNOTICEattheendofthisdatasheetaddressesavailability,warranty,changes,useinsafety-criticalapplications,
intellectualpropertymattersandotherimportantdisclaimers.PRODUCTIONDATA.
Produktspecifikationer
| Varumärke: | Texas Instruments |
| Kategori: | ej kategoriserat |
| Modell: | LMX2492 |
Behöver du hjälp?
Om du behöver hjälp med Texas Instruments LMX2492 ställ en fråga nedan och andra användare kommer att svara dig
ej kategoriserat Texas Instruments Manualer
2 Mars 2026
2 Mars 2026
2 Mars 2026
2 Mars 2026
2 Mars 2026
2 Mars 2026
2 Mars 2026
2 Mars 2026
2 Mars 2026
2 Mars 2026
ej kategoriserat Manualer
Nyaste ej kategoriserat Manualer
2 Mars 2026
2 Mars 2026
2 Mars 2026
2 Mars 2026
2 Mars 2026
2 Mars 2026
2 Mars 2026
2 Mars 2026
2 Mars 2026
2 Mars 2026