Texas Instruments LP4951C Bruksanvisning
Texas Instruments ej kategoriserat LP4951C
Läs gratis den bruksanvisning för Texas Instruments LP4951C (24 sidor) i kategorin ej kategoriserat. Guiden har ansetts hjälpsam av 2 personer och har ett genomsnittsbetyg på 4.3 stjärnor baserat på 2 recensioner. Har du en fråga om Texas Instruments LP4951C eller vill du ställa frågor till andra användare av produkten? Ställ en fråga
Sida 1/24

LP4950C-5V,LP4951C
www.ti.com
SNVS208C–SEPTEMBER2002–REVISEDAPRIL2013
LP4950C-5VandLP4951CAdjustableMicropowerVoltageRegulators
CheckforSamples:LP4950C-5V,LP4951C
1
FEATURES
DESCRIPTION
TheLP4950CandLP4951Caremicropowervoltage
2
•HighAccuracy5VSpecified100mAOutput
regulatorswithverylowquiescentcurrent(75μAtyp.)
•ExtremelyLowQuiescentCurrent
andverylowdropoutvoltage(typ.40mVatlightloads
•LowDropoutVoltage
and380mVat100mA).Theyareideallysuitedfor
useinbattery-poweredsystems.Furthermore,the
•ExtremelyTightLoadandLineRegulation
quiescentcurrentoftheLP4950C/LP4951C
•VeryLowTemperatureCoefficient
increasesonlyslightlyindropout,prolongingbattery
•UseasRegulatororReference
life.
•NeedsOnly1μFforStability
TheLP4950Cinthepopular3-pinTO-92packageis
•CurrentandThermalLimiting
pincompatiblewitholder5Vregulators.The8-lead
.
LP4951Cisavailableinaplasticsurfacemount
packageandoffersadditionalsystemfunctions.
LP4951CVERSIONSONLY
Onesuchfeatureisanerrorflagoutputwhichwarns
ofalowoutputvoltage,oftenduetofallingbatteries
•ErrorFlagWarnsofOutputDropout
ontheinput.Itmaybeusedforapower-onreset.A
•Logic-controlledElectronicShutdown
secondfeatureisthelogic-compatibleshutdowninput
•OutputPogrammableFrom1.24to29V
whichenablestheregulatortobeswitchedonand
off.Also,thepartmaybepin-strappedfora5V
outputorprogrammedfrom1.24Vto29Vwithan
externalpairofresistors.
CarefuldesignoftheLP4950C/LP4951Chas
minimizedallcontributionstotheerrorbudget.This
includesatightinitialtolerance(.5%typ.),extremely
goodloadandlineregulation(.05%typ.)andavery
lowoutputvoltagetemperaturecoefficient,making
thepartusefulasalow-powervoltagereference.
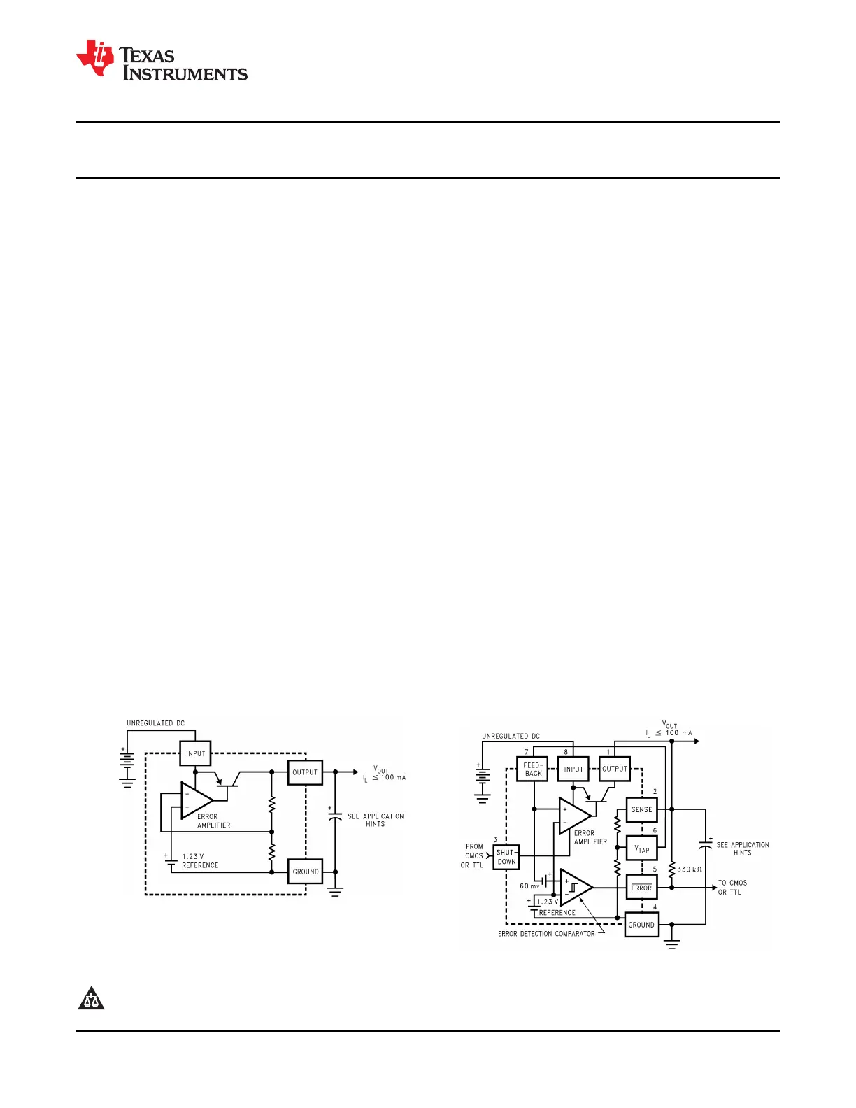
BLOCKDIAGRAMANDTYPICALAPPLICATIONS
LP4950CLP4951C
Figure1.
Figure2.
1
Pleasebeawarethatanimportantnoticeconcerningavailability,standardwarranty,anduseincriticalapplicationsof
TexasInstrumentssemiconductorproductsanddisclaimerstheretoappearsattheendofthisdatasheet.
2Alltrademarksarethepropertyoftheirrespectiveowners.
PRODUCTIONDATAinformationiscurrentasofpublicationdate.
Copyright©2002–2013,TexasInstrumentsIncorporated
ProductsconformtospecificationsperthetermsoftheTexas
Instrumentsstandardwarranty.Productionprocessingdoesnot
necessarilyincludetestingofallparameters.
Produktspecifikationer
| Varumärke: | Texas Instruments |
| Kategori: | ej kategoriserat |
| Modell: | LP4951C |
Behöver du hjälp?
Om du behöver hjälp med Texas Instruments LP4951C ställ en fråga nedan och andra användare kommer att svara dig
ej kategoriserat Texas Instruments Manualer
1 Mars 2026
1 Mars 2026
1 Mars 2026
1 Mars 2026
1 Mars 2026
1 Mars 2026
1 Mars 2026
1 Mars 2026
1 Mars 2026
1 Mars 2026
ej kategoriserat Manualer
Nyaste ej kategoriserat Manualer
1 Mars 2026
1 Mars 2026
1 Mars 2026
1 Mars 2026
1 Mars 2026
1 Mars 2026
1 Mars 2026
1 Mars 2026
1 Mars 2026
1 Mars 2026