Texas Instruments LPV802 Bruksanvisning
Läs gratis den bruksanvisning för Texas Instruments LPV802 (30 sidor) i kategorin ej kategoriserat. Guiden har ansetts hjälpsam av 2 personer och har ett genomsnittsbetyg på 4.8 stjärnor baserat på 8 recensioner. Har du en fråga om Texas Instruments LPV802 eller vill du ställa frågor till andra användare av produkten? Ställ en fråga
Sida 1/30

+
V
REF
+
V
REF
R
Load
LPV802a
LPV802b
CE
WE
RE
C
F
R
F
V
OUT
+
Output to
Comparator
LPV802a
IR
+
LPV802b
V
REF
Product
Folder
Sample &
Buy
Technical
Documents
Tools &
Software
Support &
Community
Reference
Design
AnIMPORTANTNOTICEattheendofthisdatasheetaddressesavailability,warranty,changes,useinsafety-criticalapplications,
intellectualpropertymattersandotherimportantdisclaimers.PRODUCTIONDATA.
LPV801,LPV802
SNOSCZ3B–AUGUST2016–REVISEDNOVEMBER2016
LPV801/LPV802320nANanopowerOperationalAmplifiers
1
1Features
1
•NanopowerSupplyCurrent:320nA/channel
•OffsetVoltage:3.5mV(max)
•TcVos:1µV/°C
•UnityGain-Bandwidth:8kHz
•WideSupplyRange:1.6Vto5.5V
•LowInputBiasCurrent:0.1pA
•Unity-GainStable
•Rail-to-RailOutput
•NoOutputReversals
•EMIProtection
•TemperatureRange:–40°Cto125°C
•IndustryStandardPackages:
–Singlein5-pinSOT-23
–Dualin8-pinVSSOP
2Applications
•COandO
2
GasDetectors(TIDA-00854)
•PIRMotionDetectors(TIDA-00489)
•IonizationSmokeAlarms
•Thermostats
•IoTRemoteSensors
•ActiveRFIDReadersandTags
•PortableMedicalEquipment
(1)Forallavailablepackages,seetheorderableaddendumat
theendofthedatasheet.
3Description
TheLPV801(single)andLPV802(dual)comprisea
familyofultra-low-poweroperationalamplifiersfor
sensingapplicationsinbatterypoweredwirelessand
lowpowerwiredequipment.With8kHzofbandwidth
from320nAofquiescentcurrent,theLPV80x
amplifiersminimizepowerconsumptioninequipment
suchasCOdetectors,smokedetectorsandPIR
motiondetectorswhereoperationalbattery-lifeis
critical.
Inadditiontobeingultra-low-power,theLPV80x
amplifiershaveCMOSinputstageswithtypically
femto-ampbiascurrents.TheLPV80xamplifiersalso
featureanegative-railsensinginputstageandarail-
to-railoutputstagethatiscapableofswingingwithin
millivoltsoftherails,maintainingthewidestdynamic
rangepossible.EMIprotectionisdesignedintothe
LPV80xinordertoreducesystemsensitivityto
unwantedRFsignalsfrommobilephones,WiFi,radio
transmittersandtagreaders.
DeviceInformation
(1)
PART
NUMBER
PACKAGEBODYSIZE
LPV801SOT-23(5)2.90mmx1.60mm
LPV802VSSOP(8)3.00mm×3.00mm
LPV8xxFamilyofNanopowerAmplifiers
PART
NUMBER
CHANNELS
SUPPLY
CURRENT
(Typ/Ch)
OFFSET
VOLTAGE
(Max)
LPV8011450nA3.5mV
LPV8022320nA3.5mV
LPV8111450nA370µV
LPV8122425nA300µV
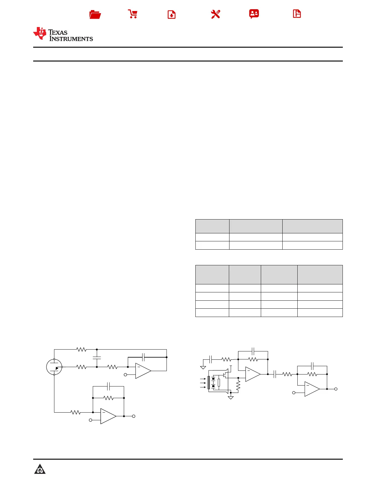
NanopowerAmplifierinElectrochemicalSensorNanopowerAmplifierinPIRMotionDetector
Produktspecifikationer
| Varumärke: | Texas Instruments |
| Kategori: | ej kategoriserat |
| Modell: | LPV802 |
Behöver du hjälp?
Om du behöver hjälp med Texas Instruments LPV802 ställ en fråga nedan och andra användare kommer att svara dig
ej kategoriserat Texas Instruments Manualer
27 Februari 2026
27 Februari 2026
27 Februari 2026
27 Februari 2026
27 Februari 2026
27 Februari 2026
27 Februari 2026
27 Februari 2026
27 Februari 2026
27 Februari 2026
ej kategoriserat Manualer
Nyaste ej kategoriserat Manualer
27 Februari 2026
27 Februari 2026
27 Februari 2026
27 Februari 2026
27 Februari 2026
27 Februari 2026
27 Februari 2026
26 Februari 2026
26 Februari 2026
26 Februari 2026