Texas Instruments MAX660 Bruksanvisning
Läs gratis den bruksanvisning för Texas Instruments MAX660 (29 sidor) i kategorin ej kategoriserat. Guiden har ansetts hjälpsam av 2 personer och har ett genomsnittsbetyg på 4.4 stjärnor baserat på 4 recensioner. Har du en fråga om Texas Instruments MAX660 eller vill du ställa frågor till andra användare av produkten? Ställ en fråga
Sida 1/29

Product
Folder
Order
Now
Technical
Documents
Tools &
Software
Support &
Community
AnIMPORTANTNOTICEattheendofthisdatasheetaddressesavailability,warranty,changes,useinsafety-criticalapplications,
intellectualpropertymattersandotherimportantdisclaimers.PRODUCTIONDATA.
MAX660
SNOS405B–NOVEMBER1999–REVISEDMAY2017
MAX660SwitchedCapacitorVoltageConverter
1
1Features
1
•InvertsorDoublesInputSupplyVoltage
•NarrowSO-8Package
•6.5-ΩTypicalOutputResistance
•88%TypicalConversionEfficiencyat100mA
•SelectableOscillatorFrequency:10kHz/80kHz
2Applications
•LaptopComputers
•CellularPhones
•MedicalInstruments
•OperationalAmplifierPowerSupplies
•InterfacePowerSupplies
•HandheldInstruments
3Description
TheMAX660CMOScharge-pumpvoltageconverter
isaversatileunregulatedswitched-capacitorinverter
ordoubler.Operatingfromawide1.5-Vto5.5-V
supplyvoltage,theMAX660usestwolow-cost
capacitorstoprovide100mAofoutputcurrent
withoutthecost,sizeandEMIrelatedtoinductor-
basedconverters.Withanoperatingcurrentofonly
120µAandoperatingefficiencygreaterthan90%at
mostloads,theMAX660providesidealperformance
forbattery-poweredsystems.MAX660devicescan
beoperateddirectlyinparalleltoloweroutput
impedance,thusprovidingmorecurrentatagiven
voltage.
TheFC(frequencycontrol)pinselectsbetweena
nominal10-kHzor80-kHzoscillatorfrequency.The
oscillatorfrequencycanbeloweredbyaddingan
externalcapacitortotheOSCpin.Also,theOSCpin
maybeusedtodrivetheMAX660withanexternal
clockupto150kHz.Throughthesemethods,output
ripplefrequencyandharmonicsmaybecontrolled.
Additionally,theMAX660maybeconfiguredtodivide
apositiveinputvoltagepreciselyinhalf.Inthismode,
inputvoltagesashighas11Vmaybeused.
DeviceInformation
(1)
PARTNUMBERPACKAGEBODYSIZE(NOM)
MAX660SOIC(8)4.90mm×3.91mm
(1)Forallavailablepackages,seetheorderableaddendumat
theendofthedatasheet.
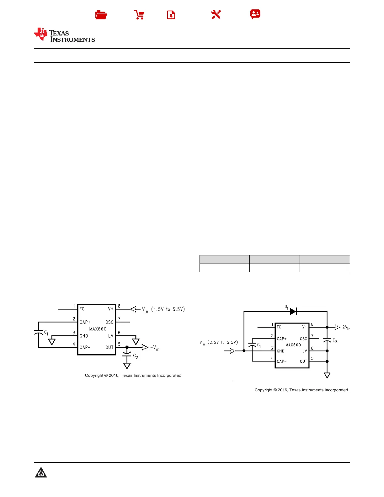
VoltageInverterPositiveVoltageDoubler
Produktspecifikationer
| Varumärke: | Texas Instruments |
| Kategori: | ej kategoriserat |
| Modell: | MAX660 |
Behöver du hjälp?
Om du behöver hjälp med Texas Instruments MAX660 ställ en fråga nedan och andra användare kommer att svara dig
ej kategoriserat Texas Instruments Manualer
1 Mars 2026
1 Mars 2026
1 Mars 2026
1 Mars 2026
1 Mars 2026
1 Mars 2026
1 Mars 2026
1 Mars 2026
1 Mars 2026
1 Mars 2026
ej kategoriserat Manualer
Nyaste ej kategoriserat Manualer
1 Mars 2026
1 Mars 2026
1 Mars 2026
1 Mars 2026
1 Mars 2026
1 Mars 2026
1 Mars 2026
1 Mars 2026
28 Februari 2026
28 Februari 2026