American Standard Estate T722508.002 Bruksanvisning
American Standard Duschsystem Estate T722508.002
Läs gratis den bruksanvisning för American Standard Estate T722508.002 (4 sidor) i kategorin Duschsystem. Guiden har ansetts hjälpsam av 2 personer och har ett genomsnittsbetyg på 4.4 stjärnor baserat på 8 recensioner. Har du en fråga om American Standard Estate T722508.002 eller vill du ställa frågor till andra användare av produkten? Ställ en fråga
Sida 1/4

- 1 -
Product names listed herein are trademarks of AS America, Inc.
© AS America, Inc. 2016
Thank you for selecting American Standard...
the benchmark of fine quality for over 100 years.
To ensure that your installation proceeds smoothly-please
read these instructions carefully before you begin.
RECOMMENDED TOOLS
M965746 (4/16)
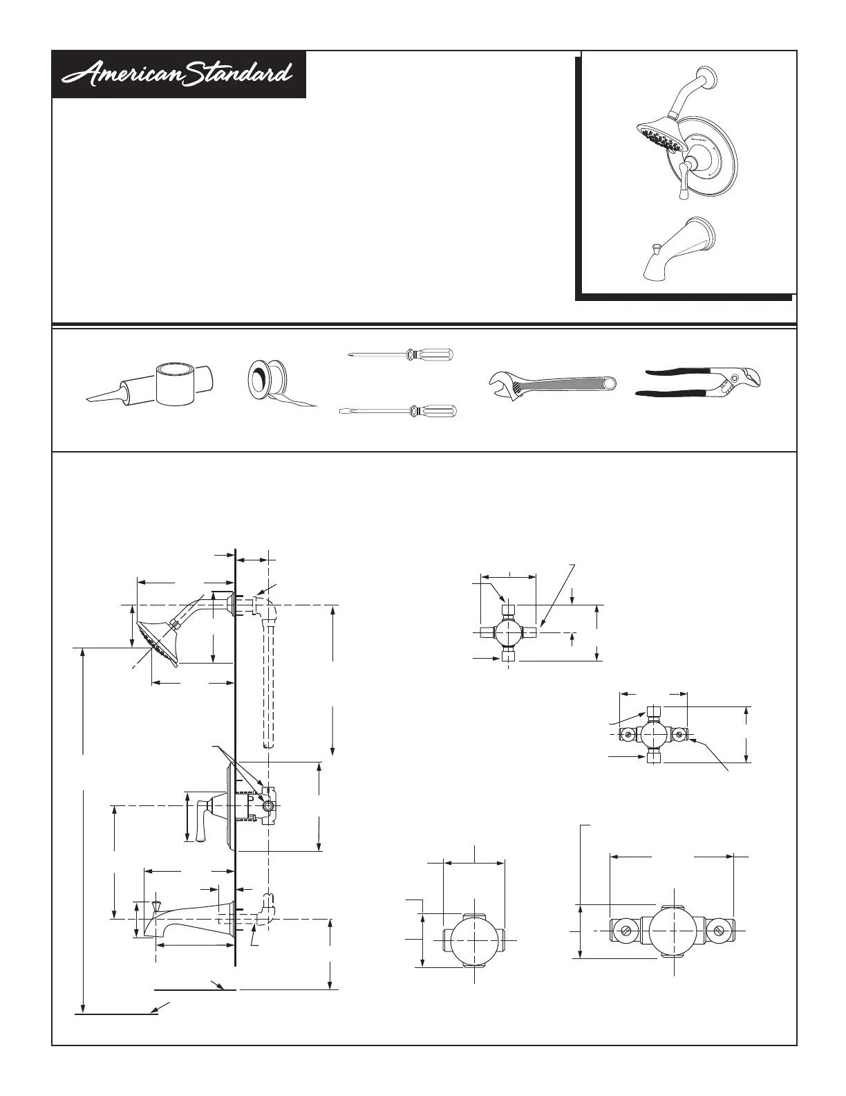
ROUGHING-IN DIMENSIONS
ESTATE
®
TUB AND SHOWER
INSTALLATION
INSTRUCTIONS
T722.500
T722.501
T722.502
T722.507
T722.508
Plumbers’ Putty
or Caulking
Adjustable WrenchChannel Locks
Phillips Screwdriver
Certied to comply with ANSI A112.18.1M
• To assure proper positioning in relation to wall.
Note roughing-in dimensions.
Teon Tape
Flat Blade Screwdriver
FINISHED WALL
4"
TOP OF TUB RIM
BOTTOM OF TUB
74" (1879 mm)
FOR HEAD
CLEARANCE
3-3/4"
(97 mm)
2" TO 3"
(51 TO 76 mm)
18" (457 mm)
OPTIONAL
6-5/8"
(179 mm)
7-5/8"
(207 mm)
1/2" NPT
1/2" COPPER
FOR SLIP-ON
SPOUT
8"
(198 mm)
1-1/2"
4-11/16"
(121 mm)
7-3/8"
(187 mm)
9-1/2"
(223 mm)
OPTIONAL TO FINISHED
FLOOR USUALLY
BETWEEN 65'' AND 78"
(1651 AND 1981 mm)
"SEE ILLUSTRATION "
THREADED INLETS (STOPS)
INLETS
1/2" NPT
5-7/8"
(149 mm)
5-7/8"
(149 mm)
5-7/8"
(149 mm)
INLETS 1/2" NPT
OUTLETS
1/2" NPT
OUTLETS
1/2" NPT
3-3/8"
(86 mm)
3-3/8"
(86 mm)
THREADED INLETS
SHR. 1/2" NOM.
COPPER SWEAT
TUB 1/2" NOM.
COPPER SWEAT
4-1/16" (103 mm)
INLETS
4-1/16"
(103 mm)
4-1/16"
(103 mm)
INLETS
1/2" NOM.
COPPER
SWEAT
SHR. 1/2" NOM.
COPPER SWEAT
TUB 1/2" NOM.
COPPER SWEAT
2"
SWEAT
INLETS
SWEAT
INLETS (STOPS)
INLETS
1/2" NOM.
COPPER
SWEAT
7"
(160 mm)
2-3/4"
(83 mm)
Produktspecifikationer
| Varumärke: | American Standard |
| Kategori: | Duschsystem |
| Modell: | Estate T722508.002 |
Behöver du hjälp?
Om du behöver hjälp med American Standard Estate T722508.002 ställ en fråga nedan och andra användare kommer att svara dig
Duschsystem American Standard Manualer
25 Februari 2026
25 Februari 2026
25 Februari 2026
25 Februari 2026
25 Februari 2026
25 Februari 2026
25 Februari 2026
25 Februari 2026
25 Februari 2026
25 Februari 2026
Duschsystem Manualer
Nyaste Duschsystem Manualer
19 Februari 2026
18 Februari 2026
18 Februari 2026
18 Februari 2026
18 Februari 2026
17 Februari 2026
17 Februari 2026
17 Februari 2026
17 Februari 2026
17 Februari 2026