Decimator MD-HX Bruksanvisning
Läs gratis den bruksanvisning för Decimator MD-HX (10 sidor) i kategorin Audio/video-omvandlare. Guiden har ansetts hjälpsam av 22 personer och har ett genomsnittsbetyg på 5.0 stjärnor baserat på 11.5 recensioner. Har du en fråga om Decimator MD-HX eller vill du ställa frågor till andra användare av produkten? Ställ en fråga
Sida 1/10

HDMI/(3G/HD/SD)‐SDICROSSCONVERTER
withScalingandFrameRateConversion
OPERATINGMANUAL

MD‐HXOPERATINGMANUALVERSION1.3
Copyright©2015DecimatorDesignPtyLtd,Sydney,Australia
E&OE
1
Introduction
ThankyouforpurchasingtheMD‐HXHDMI/(3G/HD/SD)‐SDICrossConverter.
TheMD‐HXisatrulyportableconverter,whichincorporatesourneweasytouseLCDandbuttoncontrol
system.Thisgivesyoueasyaccesstoalloftheamazingfeaturesthathavebeenunavailablewithouta
computeruntilnow.Thedaysofhavingtoplaywithcomplicateddipswitchesorhavingtocarryarounda
computertochangeasimplesettingaregone.
TheMD‐HXfeaturesthefollowingfourmodes:
1. HDMItoSDIwhilesimultaneouslyconvertingSDItoHDMI
2. HDMItoHDMIwhile
simultaneouslyconvertingSDItoSDI
3. HDMItoSDIandHDMI
4. SDItoSDIandHDMI
TheMD‐HXincludesthesameDownUpCrossConverterfromourmulti‐awardwinningMD‐DUCC,allowing
eithertheHDMIorSDIinputtobescaledand/orframerateconvertedtothe
requiredstandard.TheMD‐HX
supportboth3GlevelAandB.
Thisunitalsoincludes:
Supportforboth3GlevelAandBontheinputandoutput
Horizontaland/orVerticalimageflippingviathescaler
2x(3G/HD/SD)‐SDIActiveLoop‐ThroughorAdditionalOutput
AudioPairRearrangement
RobustAluminiumCase
USBportforcontrolandfirmwareupdates
NewMetalThreadLockingDCPowerSocket
PowerSupply,HDMICableandUSBCable

MD‐HXOPERATINGMANUALVERSION1.3
Copyright©2015DecimatorDesignPtyLtd,Sydney,Australia
E&OE
2
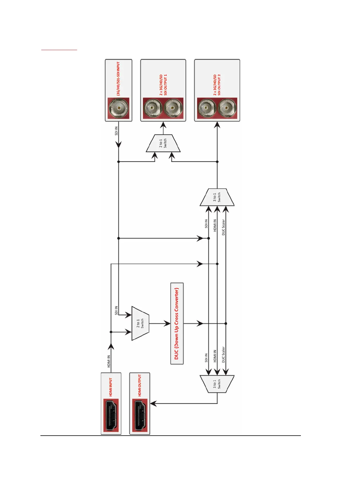
FlowChart
Produktspecifikationer
Varumärke: | Decimator |
Kategori: | Audio/video-omvandlare |
Modell: | MD-HX |
Behöver du hjälp?
Om du behöver hjälp med Decimator MD-HX ställ en fråga nedan och andra användare kommer att svara dig
Audio/video-omvandlare Decimator Manualer
11 December 2024
11 December 2024
Audio/video-omvandlare Manualer
- Key Digital
- TP Link
- LevelOne
- Optoma
- Comprehensive
- FSR
- GEM
- HELGI
- DVDO
- NAD
- Pro-Ject
- Cudy
- Tenda
- Newell
- Nedis
Nyaste Audio/video-omvandlare Manualer
7 April 2025
3 April 2025
2 April 2025
2 April 2025
1 April 2025
1 April 2025
1 April 2025
29 Mars 2025
29 Mars 2025
26 Mars 2025