Rangemaster RDXD18DI/C Bruksanvisning
Rangemaster
kylskåp
RDXD18DI/C
Läs gratis den bruksanvisning för Rangemaster RDXD18DI/C (40 sidor) i kategorin kylskåp. Guiden har ansetts hjälpsam av 7 personer och har ett genomsnittsbetyg på 4.9 stjärnor baserat på 4 recensioner. Har du en fråga om Rangemaster RDXD18DI/C eller vill du ställa frågor till andra användare av produkten? Ställ en fråga
Sida 1/40

Fridge/Freezer
2 Door 2 Drawer
User Guide
&
Installation & Service Instructions
Due to our policy of continual improvement, we reserve the right to change specications without prior notice.
RDXD18IV/C - RDXD18BL/C - RDXD18SS/C - RDXD18DI/C
U110830-10

1. Before You Start 1
Safety 1
Electrical Safety 2
CE Declaration of conformity 3
Disposal of your old appliance 3
Packaging and the Environment 3
2. About Your Refrigerator 4
About the Fresh Food Compartment 5
General Features of Your Appliance 6
Even-circ™ 6
Using the appliance 6
Shelves 6
Ionizer™ / Range Fresh™ 7
Accessories 8
About the Freezer Compartment 9
3. Using the Control Panel 10
Touch Display Prevention (Safe Mode) 11
Operating Your Fridge Freezer 11
4. Food Storage Tips 16
Food storage 16
Tips on Storing Fresh Food 17
Tips on Freezing Food 18
5. Food Storage Table 19
6. Cleaning and Maintenance 21
Defrosting 21
Cleaning 21
Shutting O the Refrigerator 21
When not in use 21
7. Troubleshooting 22
Tips for saving energy 23
8. Installation 24
Installation warnings 24
Positioning Your Appliance 25
Electrical Supply Connection 26
9. Circuit diagram 27
10. Technical Data 28
11. Warranty/After Sales Service 30
Contents

1
• Make sure that the electrical supply to your plug socket
is correct for this appliance – the required information is
on the data badge of the appliance.
• Once the appliance is installed, cleaned and dry, it is
ready to be plugged in and switched on.
Safety
The data badge is located inside the appliance
(refrigeration compartment).
WARNING: Use potable (drinking) water with this
appliance.
WARNING: Keep this appliance clear of any
obstruction.
DO NOT damage the refrigerant circuit. If it does
become damaged, do not use the appliance.
WARNING: DO NOT use mechanical devices (such as
hairdryers) to defrost this appliance.
If your appliance uses R600a as a refrigerant (this
information will be provided on the label of the
cooler) you should take care during transportation
and installation to prevent the cooler elements
from being damaged. R600a is an environmentally
friendly and natural gas, but it is explosive. In
the event of a leak due to damage of the cooler
elements, move your appliance away from open
ames or heat sources and ventilate the room where
the appliance is located for a few minutes.
• When replacing old appliances, make sure that you
have disabled any locking mechanisms before disposal
– it may even be best to remove the appliance door
completely to prevent children from becoming trapped
inside the appliance.
• The appliance must be connected to the power supply
safely. Loose connections, broken plugs and bare wires
are a safety hazard. Make sure that all connections are
sound.
• Before undertaking any routine maintenance or minor
repairs, disconnect the appliance from the electrical
supply.
• DO NOT touch cold surfaces of the appliance while it is
in use as this will cause hands to stick to them leading
to freezer burns.
• When moving the appliance take care not to damage
the leads, pipes or condenser unit. Should these parts
become damaged, contact a qualified service engineer.
• Effervescent liquids (fizzy drinks) should never be
frozen. These liquids expand during freezing and
this may lead to the bottles/containers shattering or
exploding.
Icon Type Meaning
WARNING Serious injury or death risk
Dangerous voltage risk
FIRE Fire risk
CAUTION Injury or property damage risk
IMPORTANT Operating the system correctly
RISK OF ELECTRIC
SHOCK
1. Before You Start
Thank you for buying this appliance. We hope that it provides
a stylish yet practical solution to your cooling needs. We hope
that this handbook supplies you with all the information you
require. If there is anything you are unsure of please contact
us (see ‘Warranty’ section for Customer Care’s details).
WARNING: This appliance must be earthed.
Please leave the appliance to stand for at least six
hours. This will allow the cooling system to settle
following transportation.
Always make sure a qualied person installs this
appliance.
This appliance is designed for domestic use only.
Using it for any other purpose could invalidate any
warranty or liability claim.
Children aged from 3 to 8 years are allowed
to load and unload refrigerating appliances.
Children are not expected to perform cleaning or
user maintenance of the appliance, very young
children (0-3 years old) are not expected to use
appliances, young children (3-8 years old) are not
expected to use appliances safely unless continuous
supervision is given, older children (8-14 years old)
and vulnerable people can use appliances safely
after they have been given appropriate supervision
or instruction concerning use of the appliance.
Very vulnerable people are not expected to use
appliances safely unless continuous supervision is
given.
• Before you plug the appliance into the mains, clean
the inside of the appliance using warm water and
bicarbonate of soda, then dry thoroughly.
• Check that no parts of the appliance are damaged,
especially parts of the cooling system, pipes or leads.
If damage has occurred, DO NOT install the appliance;
you should contact a qualified service engineer or
return the appliance to its place of purchase.
• If the accessories inside the appliance have been
disturbed during transit, reposition them in accordance
with the instructions.

2
• Foods that are intended to be defrosted or cooked first,
such as breads or meats, must not be eaten in their
frozen state.
• If food looks or smells strange, do not attempt to eat it.
If in doubt throw it away. Spoiled food can be harmful to
your health.
• Never use sharp, metal implements to scrape ice off the
surface of this appliance. Only use implements, which
are fit for this purpose (such as plastic scrapers) and use
carefully to avoid damaging the lining of the appliance.
• The cooling system contains refrigerant and oils, all of
which are harmful to health if leaked. Should leakage
occur, disconnect the appliance and ventilate the room
it is installed in. Take care to ensure that you do not get
any coolant near to, or in, your eyes. Contact a service
engineer or arrange to have the appliance removed.
DO NOT use the appliance under any circumstances.
WARNING: Keep ventilation openings, in the
appliance enclosure or in the built-in structure, clear
of obstruction.
WARNING: DO NOT use mechanical devices or other
means to accelerate the defrosting process, other
than those recommended by the manufacturer.
WARNING: DO NOT use electrical appliances inside
the food storage compartments of the appliance,
unless they are of the type recommended by the
manufacturer.
WARNING: DO NOT damage the refrigerant circuit.
WARNING: In order to avoid any hazards resulting
from the instability of the appliance, it must be
xed in accordance with the following instructions:
If your appliance uses R600a as a refrigerant (this
information will be provided on the label of the
cooler) you should take care during transportation
and installation to prevent the cooler elements
from being damaged. R600a is an environmentally
friendly and natural gas, but it is explosive. In
the event of a leak due to damage of the cooler
elements, move your appliance away from open
ames or heat sources and ventilate the room where
the appliance is located for a few minutes.
While carrying and positioning the appliance, do not damage
the cooler gas circuit.
DO NOT store explosive substances such as aerosol cans with
a ammable propellant in this appliance.
This appliance is intended to be used in household and
domestic applications only.
If the socket does not match the appliance plug, it must be
replaced by the manufacturer, a service agent or similarly
qualied persons in order to avoid a hazard.
A specially grounded plug has been connected to the power
cable of your appliance. This plug should be used with
a specially grounded socket of 13 amperes. If there is no
such socket in your house, please have one installed by an
authorised electrician.
This appliance can be used by children aged from 8 years and
above and persons with reduced physical, sensory or mental
capabilities or lack of experience and knowledge if they have
been given supervision or instruction concerning use of the
appliance in a safe way and understand the hazards involved.
Children shall not play with the appliance. Cleaning and
user maintenance shall not be made by children without
supervision.
If the supply cord is damaged, it must be replaced by the
manufacturer, an authorised service agent or similar qualied
persons, in order to avoid a hazard.
This appliance is not intended for use at altitudes exceeding
2000 m.
Electrical Safety
WARNING: When positioning the appliance, ensure
the supply cord is not trapped or damaged.
WARNING: DO NOT locate multiple portable socket-
outlets or portable power supplies at the rear of the
appliance.
DO NOT use plug adapter.
ArtNo.000-0001
Warning triangle WARNING; Risk of re / ammable materials
• The plug must be accessible after installation.
• The operating voltage for your appliance is 220-240 V at
50Hz.
• Connections to the mains supply should be in
accordance with local regulations.
• Insert the plug into a socket with an efficient ground
connection. If the socket has no ground contact or the
plug does not match, we recommend you consult a
qualified electrician for assistance.
• The appliance must be connected with a properly
installed fused socket. The power supply (AC) and
voltage at the operating point must match with the
details on the name plate of the appliance (the name
plate is located on the inside left of the appliance).
• The appliance must be plugged into an earthed socket.
• MUSTThe plug be accessible after the appliance has
been positioned.
• The appliance is supplied with a standard three-pin
plug, of which the one for grounding should never be
removed.
• Hold the plug, not the electrical cable, when
unplugging the appliance.
• Make sure that the appliance does not trap the electric
cable.
• DO NOT step on the cable.

3
• Avoid damage to the electric cable when moving the
appliance.
CE Declaration of conformity
• We declare that our products meet the applicable
European Directives, Decisions and Regulations and the
requirements listed in the standards referenced.
Disposal of your old appliance
ArtNo.000-0019
Do not bin logo
The symbol on the product or on its packaging
indicates that this product may not be treated as
household waste. Instead it shall be handed over
to the applicable collection point for the recycling
of electrical and electronic equipment. By
ensuring this product is disposed of correctly, you
will help prevent potential negative consequences for the
environment and human health, which could otherwise be
caused by inappropriate waste handling of this product. For
more detailed information about recycling of this product,
please contact your local city oce, your household waste
disposal service or the shop where you purchased the
product.
Packaging and the Environment
ArtNo.000-0019
Do not bin logo
Packaging materials protect your machine from
damage that may occur during transportation.
The packaging materials are environmentally
friendly as they are recyclable. The use of recycled
material reduces raw material consumption and
therefore decreases waste production.
Notes:
• Please read the instruction manual carefully before
installing and using your appliance. We are not
responsible for the damage occurred due to misuse.
• Follow all instructions on your appliance and instruction
manual, and keep this manual in a safe place to resolve
the problems that may occur in the future.
• This appliance is produced to be used in homes and it
can only be used in domestic environments and for the
specified purposes. It is not suitable for commercial or
common use. Such use will cause the guarantee of the
appliance to be cancelled and our company will not be
responsible for the losses to be occurred.
• This appliance is produced to be used in houses and
it is only suitable for cooling / storing foods. It is not
suitable for commercial or common use and/or for
storing substances except for food. Our company is not
responsible for the losses to be occurred in the contrary
case.
To avoid contamination of food, please
respect the following instructions:
• Opening the door for long periods can cause a
significant increase of the temperature in the
compartments of the appliance.
• Clean regularly surfaces that can come in contact with
food and accessible drainage systems
• Store raw meat and fish in suitable containers in the
refrigerator, so that it is not in contact with or drip onto
other food.
• Two-star frozen-food compartments are suitable for
storing pre-frozen food, storing or making ice cream
and making ice cubes.
• One-, two- and three-star compartments are not
suitable for the freezing of fresh food.
• If the refrigerating appliance is left empty for long
periods, switch off, defrost, clean, dry, and leave the
door open to prevent mould developing within the
appliance.

4
The refrigerator is shown in Fig. 2.1 and has the following
features:
1. Cheese, butter shelf
2. Egg tray
3. Fridge compartment shelves
4. Door shelves
5. Door bottle shelves
6. Freezer / cooler top drawer
7. Freezer hidden basket
8. Freezer / cooler bottom drawer
9. Ionizer™
Features include:
• Touch Screen Electronic Display
• Even-circ™
• Superior Internal Illumination (soft glow)
• Fresh Zone with Self-Close
• Super Quick Freeze & Cool
• Economy Mode for Energy Saving
• Ionizer™
• Range Fresh™
• q drink
• Child lock
• Night sensor
• Holday mode
ArtNo.600-0004 - Refrigerator layout
3
3
2
4
4
4
4
8
7
55
6
11
9
2. About Your Refrigerator
Fig. 2.1

5
warm air warm air
warm air
warm air
cold air
cold air
cold air cold air
cold air
cold air
cold air
Fig. 2.3
• Extra large, spacious design. The refrigerator offers
large capacity fresh and frozen food in three convenient
compartments; a French door type refrigerated
compartment and two lower freezer drawers.
• The upper freezer drawer is for ice cubes, regularly used
foods and “left-overs”.
• The lower freezer drawer is for deep, longer duration
freezing.
• LED interior lights: come on when the door is opened.
The performance of the light is not affected by any of
the appliances other settings.
• Automatic temperature and clock display.
• Door ajar alerts for notifying you of performance
changes.
• Large humidity controlled pantry tray.
About the Fresh Food
Compartment
It is recommended to leave storage space between the
foods for good cold air circulation. The temperatures in the
refrigerator are slightly warmer near the top and colder near
the base. Suggestions for storage (Fig. 2.2):
1. Eggs, butter, cheese, etc.
2. Cooked meats, sausage, etc.
3. Tins, cans, condiments, etc.
4. Meat, poultry, sh and raw foods.
5. Pickled foods, drinks or cans.
6. Fruits, vegetables or salads.
7. Drinks and all kinds of bottled foods.
8. Flour foods, cans, dairy, etc.
2
4
3
5
8
7
6
1
Fig. 2.2
warm air
cold air
cold air cold air
cold air
warm air
warm air
warm air
cold air
cold air cold air

6
General Features of Your Appliance
1. When the doors are closed, check that there are no gaps
between the door gasket and the appliance body. If
there are any gaps, x it.
2. Do not force the door open immediately after it has
closed. Please wait until the pressure has stabilised.
3. Our patented mullion bar design eliminates the fracture
risk which can occur due to misuse. This risk is common
for opponent manufacturers.
4. Our new No-Frost technology ensures that the
air circulates separately in the cooler and freezer
compartments. This ensures that no odours pass
between compartments, so vegetables remain fresh for
longer periods.
5. The energy ecient fan maintains air circulation by
running independently, even if the compressor is not in
operation. Thus, a uniform and balanced air circulation
is created between cooler shelves.
6. Hidden LEDs and hidden air conduit holes give the
cooler an aesthetic appearance.
7. Through specic air conduit design, the fans distribute
the cold air from multiple vents on all shelves in the
cooler.
8. By special patented application, display edges and
corners form a smooth surface against the door and
ensure a perfect aesthetic appearance. Thanks to the
touch-operated electronic control panel, temperature
controls can be accessed easily ensuring an aesthetically
even view.
9. The appliance contains LEDs which gradually
illuminated, rather than a sudden light. The LEDs reach
100% brightness within a few seconds of the door being
opened.
10. A telescopic rail used in the chiller compartment
ensures that the chiller operates easily and quietly.
11. The chiller door includes a self-closing function to avoid
slamming or being left open.
12. Anti-nger inox doors never leave nger prints thanks
to a special sheet layer coated over the stainless door
sheet.
Even-circ™
Even-circ™, prevents fresh food losing moisture. This
technology ensures that air circulates evenly throughout the
fridge compartment, this helps prevent food from drying out.
Fresh food then maintains its texture and taste of food by
preventing any humidity loss.
Using the appliance
Information on No-Frost Technology (Fig. 2.3)
No-frost refrigerators have a dierent operating system to
static refrigerators. In normal (static) fridges, the humidity
entering the fridge due to opening the door and the
humidity inherent in the food causes ice to form in the freezer
compartment.
To remove the frost and ice from the freezer compartment,
it is required to periodically switch the fridge o and place
frozen food in a separate cooled container.
The situation is completely dierent in Nofrost fridges. A
built-in fan blows dry and cold air evenly into the cooler
and freezer compartments. The cold air disperses uniformly
between the shelves, ensuring all your food is cooled evenly,
thus preventing humidity and icing to occur.
Therefore, your No-frost fridge allows ease of use, in addition
to its huge capacity and stylish appearance.
In the refrigerator compartment, there will be nearly same
conguration with freezer compartment. Air, that is emitted
with the fan, located at the top of refrigerator compartment,
is cooled while passing through the gap behind the air duct.
At the same time, air is blown out through the holes on the
air duct so that cooling process is successfully completed in
the refrigerator compartment.
Holes in the air duct are designed such that the air
distribution becomes homogenous in this compartment.
As there is no air passage between freezer and refrigerator
compartment, there will be no odor mixing.
As a result of these, your fridge with new generation cooling
technology, gives you, ease of use beside the huge volume
and esthetic appearance.
Shelves
The height of the cantilever shelves can be adjusted to t
your storage needs.
Make sure that the two sides of the shelf are in level
positions otherwise food may drop o.
The shelves will not pull out accidentally when you remove
foodstu from the appliance.

7
ArtNo.600-0001 - Dairy bin
Ionizer
Fig. 2.4
Fig. 2.5
When opening or closing the dairy bin, please take
care not to trap your ngers (Fig. 2.4).
Ionizer / Range Fresh™ ™
Ethylene gas is emitted by some fruits and vegetables and
causes the fresh groceries to start ripening. When this gas is
produced in an enclosed environment, it is re-absorbed by
the fruit and vegetables and further accelerates the aging
process.
This fridge freezer provides two dierent solutions to this
naturally occurring problem:
Ionizer (™Fig. 2.5)
Ionizer spreads negative ions which neutralize particles of
unpleasant smell and dust in the air.
By removing these particles from the air in the refrigerator,
Ionizer improves air quality and eliminates odours.
Range Fresh (™Fig. 2.6)
Range Fresh Preserver helps to remove ethylene gas
(a bioproduct released naturally from fresh foods) and
unpleasant odors from the crisper.
It must be regenerated once a year under a full day sunlight
for 24 hours, for example on a window sill.
To regenerate the lter, remove the casing of the lter box by
pulling it in the direction of the arrow (Fig. 2.6).
The lter should not be washed with water or in any
detergent.
Fig. 2.6
Ionizer
Range Fresh Preserver

8
If you do not use the ice container for long periods of
time:
If you will not be using the ice container for a long time,
throw out the remaining ice cubes, wash the container with
warm water, dry it with a towel and place back in the fridge.
Note: When opening the upper freezer drawer, avoid rapid
pull out which can cause the ice cubes to fall into the lower
deep freeze drawer.
Accessories
Ice trays
Fill the icebox with water and replace it. Ice will be ready after
approximately 2 hours.
When replacing the icebox after lling it with water, make
sure it is positioned horizontally. If it is tilted, water inside the
ice tray may spill onto the basket.
Vegetable Bowl and Chiller (Breakfast) (Fig. 2.7)
This compartment can be used as a chiller compartment,
where food can be kept at 0°C. Frozen food can be kept in this
compartment to defrost. Meat and/or clean sh (in plastic
bags or packets), which will be consumed within 1 to 2 days,
can also be stored here.
Water freezes at 0°C, but food containing salt or sugar freezes
at colder temperatures.
Do not put food to be frozen or iceboxes in this
compartment.
Crisper Air Setting button (Fig. 2.8)
Turn the air adjustment knob between the crisper and chiller
to the open position when the crisper is full. Food in the
crisper will remain fresh for a longer period of time.
B
A
Fig. 2.7
A. Chiller Breakfast B. Crispers
Fig. 2.8

9
About the Freezer Compartment
The freezer compartment consists of upper and lower
drawers.
The lower deep freeze drawer (Fig. 2.9) is for longer duration
freezing.
Note: Do not pull the freezer drawers with too much force as
food may fall out. Do not overpack the drawer otherwise food
will fall out when opening too fast.
The freezer compartment is used for freezing fresh food, for
storing frozen food, and for making ice cubes.
If the freezer door has been left open for a long time or not
closed properly, frost will form and can prevent ecient air
circulation. To resolve this, unplug the freezer and wait for it
to defrost. Clean the freezer once it has fully defrosted.
Remove baskets, covers, and so on, to increase the storage
volume of freezer.
The freezer volume stated on the label is the volume without
baskets, covers, and so on.
IMPORTANT
Do not refreeze thawed food. It may pose a danger to your
health and cause problems such as food poisoning.
Do not put warm food in the deep freeze compartment until
it has completely cooled. It will thaw already frozen food,
which may then rot.
When purchasing frozen food, make sure it has been stored
under appropriate conditions and the packaging is not
damaged.
Do not purchase frozen food if the packaging shows signs of
humidity or if it has a foul odour. The food may not have been
stored correctly and may have gone rotten.
The storage life of frozen food depends on the room
temperature, the thermostat setting, how often the door is
opened, the type of food, and the length of time required to
transport the product from the shop to your freezer. Always
follow the instructions printed on the packaging and never
exceed the maximum storage life indicated.
NOTE: Remove frozen food from the freezer the day before
consumption, and put in the bottom compartment of
the refrigerator. This helps reduce the temperature in the
refrigerator, which in turn saves energy. If the frozen food
defrosts in an open area, energy loss will occur.
NOTE: If you attempt to open the freezer door immediately
after closing it, you will nd that it will not open easily. This
is normal. Once equilibrium has been reached, the door will
open easily.
Freezer hidden basket
Deep freeze
drawer
Fig. 2.9
Freezer hidden basket
Deep freeze
drawer

10
User controls
LCD Display
88
88
eco
mode q drink s.saver
°c -88°c
sensor freezer
min
cooler
!
5
4
3
2
1
7
8
9
10
6
15 1416 13 1112
Fig. 3.1
Using the Control Panel
1. Cooler button
2. Mode button
3. Holiday Mode
4. Economy mode
5. qdrink timer
6. qdrink light
7. Child lock
8. Low voltage warning
9. Service alarm
10. Screensaver button
11. Freezer
12. Drawer compartment temperature indicator
13. Night sensor button
14. qdrink mode button
15. Fridge compartment temperature indicator
16. Night sensor
The values on the screen indicate temperature values
specied by the consumer.
The touch display is protected from accidental touch. To
activate a feature, press any of the user controls for more than
2 seconds this will deactiviate the protection. If no button
is pressed within 20 seconds, the display will return to safe
mode.
3. Using the Control Panel
LCD Display
User Controls

11
Touch Display Prevention (Safe Mode)
The touch display is protected from accidental touch. To
activate a feature, press any of the user controls for more than
2 seconds this will deactiviate the protection. If no button
is pressed within 20 seconds, the display will return to safe
mode.
The display will advise the user that screen safe mode has
been disabled by emitting a double beep.
Operating Your Fridge Freezer
q drink mode Beverage cooling
The mode is used to cool drinks within an adjustable q drink
time frame (05, 10, 15, 20, 25 or 30 minutes). While using the
q drink mode beverages can be stored in the freezer.
Important: “q drink” mode should not be confused
with cooling.
Adjust the time according to the temperature of the
bottles before you put them in the zone 1or zone 2 freezer
compartments. For example, the time may initially be set for
5 minutes. If your drinks have not cooled suciently after this
time, you may set a further 5 or 10 minutes cooling time.
While this mode is active, you check the MUST
temperature of the bottles regularly.
NOTE: This will not adjust the freezer temperature
Set the q drink mode Beverage cooling
NOTE: At times the q drink button will emit two beeps, if the
controls has not been previously activated.
02
mode q drink s.saver
°c -22°c
sensor freezer
05 min
cooler
Flashes 4x
02
mode q drink s.saver
°c -22°c
sensor freezer
05 min
cooler
02
mode q drink s.saver
°c -22°c
sensor freezer
25 min
cooler
NOTE: Disable screen safe mode.
Step 1. Press the q drink to activate the mode.
Step 2. Whilst the wine glass symbol is ashing continue
to incrementally press the q drink button to change the
cooling time.
NOTE: q drink time can only be set when the wine glass symbol ashes.
Step 3. Once the desired time has been set, stop pressing
the q drink button.
NOTE: When the bottles are cool enough, they be removed MUST
from the freezer otherwise they may burst.
Flashes 4x
02
mode q drink s.saver
°c -22°c
sensor freezer
23 min
cooler
Step 4. The timer digits will continue to ash. Once the
time has elapsed, q drink mode will emit an audible alert.

12
02
mode q drink s.saver
°c -22°c
sensor freezer
05 min
cooler
Cancel q drink mode Fig. 3.2, Fig. 3.3
1. If you accidently pressed the q drink wait for the wine
glass symbol to ash 4x. Press the q drink whilst the
timer digits ashes.
2. The timer digits and wine symbol will ash and then
disappear.
SF, SUPERFREEZE
Purpose
• To freeze a large quantity of food that cannot fit on the
fast freeze shelf.
• To freeze prepared foods.
• To freeze fresh food quickly to retain freshness.
• Large food shop, this mode ensure food is frozen quickly
and therefore retains nutrients and taste.
• High quality meat/fish, again by quickly freezing the
produce nutrients are retained and taste is preserved
Super-freezing mode will deactivate automatically after 24
hours or once the freezer compartment temperature sensor
detects the correct temperature.
To activate (Fig. 3.4), press the freezer button until ‘SF’ shows
on the display. A beep will sound to conrm the mode is
active.
Note: Using the super freeze mode, freezing capacity will
reach the maximum value.
SC, SUPERCOOL
Purpose
• To cool and store a large quantity of food in the fridge
compartment.
• To quickly cool drinks.
• Large food shop, this mode ensure food is cooled
quickly and therefore retains nutrients and taste.
Super-cooling mode will automatically deactivate after 4 to 6
hours, depending on the ambient temperature, or when the
cooler compartment reaches a suciently low temperature.
To activate (Fig. 3.5), press the cooler button until ‘SC’ shows
on the display. A beep will sound to conrm the mode is
active.
NOTE: Using the super freeze mode, freezing capacity will
reach the maximum value
SC, SUPERCOOL and SF, SUPERFREEZE cannot be set at
the same time.
SC
mode q drink s.saver
°c -22°c
sensor freezercooler
08
mode q drink s.saver
°c -SF°c
sensor freezercooler
02
mode q drink s.saver
°c -22°c
sensor freezer
05 min
cooler
NOTE: Disable screen safe mode.
NOTE: Disable screen safe mode.
Fig. 3.2
Fig. 3.3
Fig. 3.4
Fig. 3.5

13
Economy (eco) mode Fig. 3.6
eco
During periods of less frequent use (door opening)
or absence from home, such as a weekend holiday,
eco program can provide optimum temperature
whilst saving power.
In order to activate eco mode, press the [mode] button until
“eco” symbol and “E” illuminate.
Whilst in eco mode, the temperatures for both the fridge and
freezer compartment are 4°C for fridge and -18 °C for freezer.
Cancel Economy (eco) Mode Fig. 3.7
In order to deactivate eco mode, press the [mode] button
until “eco” symbol and “E” are no longer visible.
Holiday mode Fig. 3.7
Holiday mode is to be used if the device is to be
left for an extended period. During Holiday mode
only the freezer compartment remains active.
Benets: save on electricity bills when away from
home.
It is represented by an umbrella and sun. If the cooler
compartment is not to be used for some time, such as during
a holiday, activate holiday mode. To activate holiday mode,
press the mode button until the holiday mode symbol and ‘H’
are illuminated.
WHILST IN HOLIDAY MODE, ALL FOOD SHOULD BE
REMOVED FROM THE FRIDGE COMPARTMENT AS THIS
WILL BE TURNED OFF.
Whilst in holiday mode, the freezer temperature will default
to -18°C for freezer.
Cancel Holiday Mode
To activate holiday mode, press the mode button until the
holiday mode symbol and ‘H’ are no longer visible.
e
eco
mode q drink s.saver
°c -18°c
sensor freezer
cooler
h
mode q drink s.saver
°c -18°c
sensor freezer
cooler
Fig. 3.6
Fig. 3.7
NOTE: Disable screen safe mode.
NOTE: Disable screen safe mode.

14
Cooler / fridge
The cooler / fridge mode is used for setting the temperature
of the cooler compartment. Press the cooler button to set the
temperature to 2, 3, 4, 5, 6, 7 or 8 °C or SC.
Freezer
The freezer button is used to set the temperature for the
freezer compartment.
Press the freezer button to set the temperature of the freezer
to -16, -17, -18, -19, -20, -21, -22, -23, or -24 °C or SF.
Child lock
Child lock can be activated to prevent any
accidental or unintentional changes being made
to the appliance settings.
To activate (Fig. 3.8) the child lock, press and hold the cooler
and freezer buttons simultaneously for 3 seconds.
While child lock is active, no changes can be made to settings
as the buttons will be inactive. The lock symbol will be
displayed.
To deactivate (Fig. 3.8) the child lock, press and hold the
cooler and freezer buttons simultaneously for 5 seconds.
SCREEN SAVER (s.saver)
This mode saves energy by switching o all control panel
lighting when the panel is left inactive. Screen saver mode
will be activated automatically after 30 seconds.
This function saves energy by switching the lights on the
electronic display panel o. To activate the screensaver, press
and hold the ‘s.saver’ button for 3 seconds (Fig. 3.9).
To deactivate the screensaver, press and hold the ‘s.saver’
button for 3 seconds.
Door open alarm function
If either the fridge or freezer door is left open for more than 2
minutes, the appliance will beep.
02
mode q drink s.saver
°c -22°c
sensor freezercooler
02
mode q drink s.saver
°c -22°c
sensor freezercooler
Fig. 3.8
Fig. 3.9
Child lock
NOTE: Disable screen safe mode.
NOTE: Disable screen safe mode.

15
mode q drink s.saver
-23 °c
sensor freezer
cooler
Step 1 Cooler o Fig. 3.10
Switching zones off Fig. 3.10
The cooling / fridge zone can be disabled as required. The
button combination should be applied for greater than 5
seconds.
Switching zones on
Each disabled zones can be reinstated by repeating the
process as described above.
Turn on Night sensor Fig. 3.11, Fig. 3.12
This night sensor function saves energy by switching
the lights inside the refrigerator o if there is sucient
illumination in the room. To activate follow the procedure
below.
Turn off Night Sensor
Repeat operation as above.
88
mode q drink s.saver
°c -88°c
sensor freezer
cooler
Hold for
3 seconds
88
mode q drink s.saver
°c -88°c
sensor freezercooler
Step 1. Press and hold the for 3 seconds.sensor
Step 2. The night sensor indicator will appear.
Hold for 3
seconds
NOTE: Disable screen safe mode.
Fig. 3.11
Fig. 3.12

16
Food storage
Refrigerator Compartment
• To reduce humidity and avoid the consequent
formation of frost, always store liquids in sealed
containers in the refrigerator. Frost tends to concentrate
in the coldest parts of the evaporating liquid and,
in time, your appliance will require more frequent
defrosting.
• Never place warm food in the refrigerator. Warm food
should be allowed to cool at room temperature and
should be arranged to ensure adequate air circulation in
the refrigerator compartment.
• Make sure no items are in direct contact with the
rear wall of the appliance as frost will develop and
packaging will stick to it. Do not open the refrigerator
door frequently.
• We recommend that meat and clean fish are loosely
wrapped and stored on the glass shelf just above the
vegetable bin where the air is cooler, as this provides
the best storage conditions.
• Store loose fruit and vegetable items in the crisper
containers.
• Store loose fruit and vegetables in the crisper.
• Storing fruit and vegetables separately helps prevent
ethylene-sensitive vegetables (green leaves, broccoli,
carrot, etc.) being affected by ethylene-releaser fruits
(banana, peach, apricot, fig etc.).
• Do not put wet vegetables into the refrigerator.
• Storage time for all food products depends on the initial
quality of the food and an uninterrupted refrigeration
cycle before refrigerator storage.
• To avoid cross-contamination do not store meat
products with fruit and vegetables. Water leaking
from meat may contaminate other products in the
refrigerator. You should package meat products and
clean any leakages on the shelves.
• Do not put food in front of the air flow passage.
• Consume packaged foods before the recommended
expiry date.
N : Potatoes, onions and garlic should not be stored in the OTE
refrigerator. The table Table 4.1 is a quick guide to show you
the most ecient way to store the major food groups in your
refrigerator compartment.
Food Maximum
storage time
How and where
to store
Vegetables and fruits 1 week Vegetable bin
Meat and sh 2 - 3 Days Wrap in plastic foil,
bags, or in a meat
container and store on
the glass shelf
Fresh cheese 3 - 4 Days On the designated
door shelf
Butter and margarine 1 week On the designated
door shelf
Bottled products e.g.
milk and yoghurt
Until the expiry date
recommended by the
producer
On the designated
door shelf
Eggs 1 month On the designated egg
shelf
Cooked food All shelves
4. Food Storage Tips
Table 4.1

17
Tips on Storing Fresh Food
• Make sure that foods, which have been cooked and
require chilling, are at room temperature before placing
them into the appliance. Make sure that these foods are
stored in suitable containers.
• Foods stored in the refrigerator should be cleaned and
dried before storing.
• Before foods are put into the refrigerator, it is
recommended that the foods should be pressurised,
so that the water cannot vaporise, and the fruits and
vegetables keep fresh and food smells will not mix.
• Stored foods can be marked in bags.
• Foods eaten daily should be stored at the front of the
shelf.
• Make sure that foodstuffs are stored systematically (raw
meats with raw meats, dairy with dairy) to avoid flavour
transfer and cross contamination. Raw meats should be
stored towards the bottom of the appliance to prevent
the possibility of it dripping onto uncooked food. Other
foods should be stored above raw meat.
• When storing food in the fresh food section always
make sure there is adequate space for airflow
circulation. This helps to maintain the shelf life of the
food.
• When storing food in the refrigerator make sure that
foods are not too close to the rear wall to avoid the risk
of freezing.
• It is suggested for radishes and other root vegetables to
trim the leaves. This keeps the nutrition in the root and
not absorbed by the leaves.
• Put frozen foods into the fresh food area to let them
defrost. The low temperature of the refrigerator reduces
the formation of bacteria and extends food life.
• Some foods like onions, garlic, bananas and root
vegetables are better stored at room temperature than
in the fridge.
• Melon, pineapples and bananas can go directly into the
freezer after preparing, for storage over a longer period.
• Packaging fresh foods properly, using the correct
temperature and taking into account food hygiene, will
enhance the quality of fresh foods stored within this
appliance.
• Use plastic bags, aluminium foil or other food wraps to
cover fresh foods not in packaging to prevent flavour
transfer and prevent contamination.
• Before storing items in multi-packs (i.e. yoghurt) remove
any excess packaging.
• NEVER store anything that is flammable, volatile or
explosive inside the appliance.
• Beverages with high alcohol content should be stored
vertically in tightly sealed bottles.
• Delicate foods should be stored in the coolest part of
the appliance.
• Try not to open the door too often.
• Set the thermostat to make sure that foods remain
suitably cold; try to avoid freezing within the fridge.
Using a thermometer will help you to judge how cool
the appliance is. Place it into a glass of water and leave
it inside the appliance for several hours to get a reliable
reading.
• Some foods contain natural oils and acids (e.g. citric
acid) which can damage plastics if spilled – make sure
these foods are suitably contained.
• Unpleasant odours inside the fridge are a sign that
something has spilled and cleaning is required. Using
warm water with bicarbonate of soda will clean the
interior of the appliance and remove most spillages (see
‘Cleaning and Maintenance’).
• Always remember to remove perishable foods from this
appliance before taking prolonged trips of holidays.

18
Tips on Freezing Food
• As with storing fresh foods, suitable packaging, correct
temperature and food hygiene will enhance the quality
of the food you are freezing.
• Avoid putting hot foods into the freezer. First let them
cool until they reach room temperature.
• Make sure that all foods for freezing are of a high
quality, and suitable for freezing.
• Use packaging material that is odourless and airproof
(such as plastic bags) to store food in so different foods
can be mixed without affecting the quality. Make sure
that it is airtight. Leaking packaging will dehydrate the
products and lead to loss of beneficial vitamins.
• Keep the surface of the packaging dry – this keeps the
packs from freezing together.
• Mark packages with the kind of food contained and the
date of storage.
• Food needs to be frozen quickly, so it is best to
freeze small portions whenever possible and ensure
that they are as cold as possible before storage. The
recommended maximum weight for each portion is
2.5 kg.
• Keep food which is fresh away from food which is
already frozen, if you need to freeze fresh food every
day, make sure that it is in small portions to prevent this.
• Do not exceed the maximum load for freezing, please
refer to the “Technical Data”.
• Write the expiry date and food names on the outside of
the packaging so you can be assured of the food type
and when it is safe to eat.
• Take food from the freezer to defrost when needed.
Defrosted food cannot be refrozen unless it is cooked.
• Do not put too much fresh food into the freezer at once.
This could go beyond the freezer’s cooling capacity.
Please refer to the “Technical Data”.
When storing commercially frozen foods, please follow these
guidelines:
• Always follow manufacturers’ guidelines for the length
of time you should store food for. Do not exceed these
guidelines!
• Try to keep the length of time between purchase and
storage as short as possible to preserve food quality.
• Buy frozen foods, which have been stored at a
temperature of –18 °C or below.
• Avoid buying food which has ice or frost on the
packaging – This indicates that the products might have
been partially defrosted and refrozen at some point –
temperature rises affect the quality of food.
• Should there be a power cut, or the freezer /
refrigeration appliance fail for any length of time you
may need to remove food from the freezer and store
in a cold, hygienic place (i.e. garage or out house area)
until the power is restored, or the appliance is repaired.
• To prevent undue temperature rises you should wrap
the foods in layers of insulating material, such as
newspaper, to help to maintain their temperature. It is
also important that any food affected by this situation
should be either consumed or cooked and refrozen
(where suitable) soon afterwards in order to prevent
health risks.
• Layers of newspaper can also be used to help keep
foods cold while you are defrosting the freezer (see
‘Cleaning and Maintenance’).

19
Meat and sh Preparation Maximum storage time (months)
Steak Wrap in foil 6 - 8
Lamb meat Wrap in foil 6 - 8
Veal roast Wrap in foil 6 - 8
Veal cubes In small pieces 6 - 8
Lamb cubes In pieces 4 - 8
Minced meat In packaging without using spices 1 - 3
Giblets (pieces) In pieces 1 - 3
Bologna sausage/salami Should be kept packaged even if it has a
membrane
Chicken and turkey Wrap in foil 4 - 6
Goose and duck Wrap in foil 4 - 6
Deer, rabbit, wild boar In 2.5 kg portions or as llets 6 - 8
Freshwater sh (Salmon, Carp, Crane, Catsh) After cleaning the bowels and scales of the sh,
wash and dry it. If necessary, remove the tail and
head.
2
Lean sh (Bass, Turbot, Flounder) 4
Fatty shes (Tuna, Mackarel, Bluesh, Anchovy) 2 - 4
Shellsh Clean and in a bag 4 - 6
Caviar In its packaging, or in an aluminium or plastic
container 2 - 3
Snails In salty water, or in an aluminium or plastic
container 3
NOTE: Thawed frozen meat should be cooked as fresh meat. If the meat is not cooked after defrosting, it must not be re-frozen.
Vegetables and Fruits Preparation Maximum storage time (months)
String beans and beans Wash, cut into small pieces and boil in water 10 - 13
Beans Hull, wash and boil in water 12
Cabbage Clean and boil in water 6 - 8
Carrot Clean, cut into slices and boil in water 12
Pepper Cut the stem, cut into two pieces, remove the core and boil in water 8 - 10
Spinach Wash and boil in water 6 - 9
Cauliower Remove the leaves, cut the heart into pieces and leave it in water with
a little lemon juice for a while 10 - 12
Eggplant (Aubergine) Cut into pieces of 2cm after washing 10 - 12
Corn Clean and pack with its stem or as sweet corn 12
Apple and pear Peel and slice 8 - 10
Apricot and Peach Cut into two pieces and remove the stone 4 - 6
Strawberry and Blackberry Wash and hull 8 - 12
Cooked fruits Add 10 % of sugar to the container 12
Plum, cherry, sourberry Wash and hull the stems 8 - 12
5. Food Storage Table
All storage times given in the table below are intended to be
used . Storage times of fruits and vegetables as a guide only
depend on the quality of the food. Individual cases may vary.
Packaged fruits and vegetables are consumed until
expiration.
Important
The taste of some spices found in cooked dishes (anise,
basilica, watercress, vinegar, assorted spices, ginger, garlic,
onion, mustard, thyme, marjoram, black pepper, etc.) changes
and they assume a strong taste when they are stored for a
long period of time. Therefore, add small amounts of spices to
food to be frozen, or the desired spice should be added after
the food has thawed
The storage time of food is dependent on the type of oil
used. Suitable oils are margarine, calf fat, olive oil and butter.
Unsuitable oils are peanut oil and pig fat.
Food in liquid form should be frozen in plastic cups/
tupperware and other food should be frozen in plastic folios
or bags.
The table below is a quick guide to show you the most
ecient way to store the major food groups in your freezer
compartment.
DocNo.031-0004 - Cooking table - electric & fan single cavity

20
Maximum storage time
(months)
Thawing time at room
temperature (hours) Thawing time in oven (minutes)
Bread 4 - 6 2 - 3 4-5 (220-225 °C)
Biscuits 3 - 6 1 - 1.5 5-8 (190-200 °C)
Pastry 1 - 3 2 - 3 5-10 (200-225 °C)
Pie 1 - 1.5 3 - 4 5-8 (190-200 °C)
Phyllo dough 2 - 3 1 - 1.5 5-8 (190-200 °C)
Pizza 2 - 3 2 - 4 15-20 (200 °C)
Dairy products Preparation Maximum storage time
(months) Storage conditions
Packet (Homogenized) Milk In its own packet 2 - 3 Pure Milk – in its own packet
Cheese - excluding white cheese In slices 6 - 8
Original packaging may be used for short-
term storage. Keep wrapped in foil for longer
periods.
Butter, margarine In its packaging

21
6. Cleaning and Maintenance
Defrosting
Defrosting is done automatically so there is no need to
manually defrost this appliance.
DO NOT use mechanical devices to accelerate the
defrosting process.
Cleaning
Disconnect the appliance from the power supply
before cleaning.
Do not wash your appliance by pouring water on it.
DO NOT use harsh abrasives, or aggressive cleaners
as these can damage the interior of the appliance.
The fridge is heavy. When moving the refrigerator
be careful to protect the oor. Keep the refrigerator
vertical and do not tilt the refrigerator – this
prevents damage to the oor.
DO NOT spray or rinse the fridge with water or other
liquids. This could harm the electrical parts.
Use a dry cloth when cleaning near the electrical
parts (such as the light bulb or switch).
DO NOT clean the fridge with a sti or wire brush.
DO NOT use an organic solvent such as detergent,
petrol, lacquer, thinners, acetone or acid.
To prevent your skin sticking to cold steel parts,
make sure your hands are not wet when touching
the parts.
DO NOT use HOT water to clean the glass shelves, as
they may break or crack.
To keep internal odours to a minimum it is best to periodically
clean the inside shelves, crispers, bins and wall.
Empty the appliance of food and remove the shelves.
Clean the interior using warm water and bicarbonate of soda
with a soft cloth. Make sure that the interior is then dried
carefully with a suitable cloth.
After washing, rinse with clean water and dry carefully. When
you have nished cleaning, reconnect the plug to the mains
supply with dry hands.
Shelves and other accessories (plastic and glass parts) can be
cleaned in the sink using liquid dishwashing liquid and warm
water. Make sure all soap is rinsed o and all parts are dry
before replacing them inside the appliance.
Always keep the door seals clean.
Make sure that no water enters the lamp housing and other
electrical components.
The appliance should be cleaned regularly using a solution of
bicarbonate of soda and lukewarm water.
Clean the accessories separately by hand with soap and
water. Do not wash accessories in a dish washer.
Clean the condenser with a brush at least twice a year.
This will help you to save on energy costs and increase
productivity.
Cleaning the evaporation bowl:
Your fridge defrosts automatically. Water produced by
defrosting ows into an evaporation container, passing
through a water collecting groove, where it vaporizes.
Replacing LED Lighting
If your fridge has LED lighting contact the help desk as this
should be changed by authorized personnel only.
The LED interior lights come on when the door is opened.
The performance of the light is not aected by any of the
appliances other settings.
Shutting Off the Refrigerator
In the event of a power cut, food should remain safely cold for
about 3 hours.
Should there be a prolonged power cut you may need to
remove food from the freezer compartment and store it in
a cold place, wrapped in layers of newspaper to preserve
suitable temperatures.
Once power is restored replace the food back into the freezer
compartment.
Should food begin to defrost, or the power cut last longer
than expected, it is advised that you consume any food
removed from the freezer.
If the power outage is short term, most foods can be left
inside the freezer compartment – this is the best way of
preserving temperature – and surrounded by ice cubes from
the icebox. This is also an ideal solution for power outages
you may have been pre-warned about.
When experiencing a power cut of any kind, do not add any
extra foods to the freezer.
When not in use
If you are not using the appliance for an extended length
of time, it is recommended that you switch o the electrical
supply, empty any food out, clean the inside of the appliance
and leave the door ajar. This will save energy, and also prevent
a build up of stale odours inside.

22
7. Troubleshooting
Before calling for service, please rst read the following table: this could save you time and money.
Error type Meaning What to doWhy
“Failure” Warning There is/are some part(s) out of order or there
is a failure in the cooling process.
Call a service agent for assistance as soon as
possible.
Freezer compartment is not cold
enough
This warning especially appears if there has
been a power failure for a long period or
when the appliance is operated for the rst
time.
Use food within a short time period. Do not
freeze foods that has thawed.
Set the freezer temperature to colder
values or set the Super Freeze until the
compartment gets to normal temperature.
Do not put fresh food in the appliance until
the fault has cleared.
Fridge compartment is not cold
enough
This warning especially appears if there has
been a power failure for a long period or
when the appliance is operated for the rst
time. Ideal temperature for the appliance
compartment is +4 oC. If you see this
warning, your foods are at risk of spoiling.
Set the appliance temperature to colder
values or set the Super Cooling mode
until the compartment reaches normal
temperature.
Open the door as little as possible until the
fault clears.
Fridge compartment too cold The food will start to freeze because the
temperature is too cold.
Check if the Super Cooling mode is switched
on.
Decrease the appliance temperature values.
“Low voltage” Warning This is seen when the power supply is lower
than 170 V.
This not a failure. This prevents any damage
to the compressor. This warning will clear
after the voltage reaches the required level.
If you are experiencing a problem with your appliance, please check
the following before contacing the after-sales service.
Your appliance does not operate
Check if:
• There is power
• The plug is connected to the socket correctly
• The socket fuse or the mains fuse has blown
• The socket is faulty. To check this, plug another working
appliance into the same socket.
Your appliance is performing poorly
Check if:
• The appliance is overloaded
• The doors are closed properly
• There is any dust on the condenser
• There is an adequate distance between the appliance
and surrounding walls
Your appliance is operating noisily
The following noises can be heard during normal operation
of the appliance.
Cracking (ice cracking) noise occurs:
• During automatic defrosting.
• When the appliance is cooled or warmed (due to
expansion of appliance material).
• Clicking noise occurs: When the thermostat switches
the compressor on/ off.
• Motor noise: Indicates the compressor is operating
normally. The compressor may cause more noise for a
short time when it is first activated.
• Bubbling noise and splashing occurs: Due to the flow
of the refrigerant in the tubes of the system.
• Water flowing noise occurs: Due to water flowing to
the evaporation container. This noise is normal during
defrosting.
• Air blowing noise occurs: During normal operation of
the system due to the circulation of air.
There is a build-up of humidity inside the appliance
Check if:
All food is packed properly. Containers must be dry before
being placed in the fridge.
The fridge doors are opened frequently. Humidity of the
room will enter the fridge each time the doors are opened.
Humidity increases faster if the doors are opened frequently,
especially if the humidity of the room is high.
There is a build-up of water droplets on the rear wall. This is
normal after automatic defrosting (in Static Models).

23
The doors are not opening or closing properly
Check if:
• There is food or packaging preventing the door from
closing
• The door compartments, shelves and drawers are
placed properly
• The door gaskets are broken or torn
• Your fridge is level.
The edges of the fridge/freezer in contact with the door
joint are warm
Especially during summer (warm weather), the surfaces in
contact with the door joint may become warmer during
operation of the compressor. This is normal.
Important:
In the case of a power failure, or if the appliance is unplugged
and plugged in again, the gas in the cooling system of your
appliance will destabilise, causing the compressor protective
thermal element to open.
Your appliance will start to operate normally after 5 minutes.
If the appliance will not be used for a long period of time
(such as during holidays), disconnect the plug. Defrost and
clean the appliance, leaving the door open to prevent the
formation of mildew and odour.
If the problem persists after you have followed all the
instructions above, please consult the nearest Authorised
Service Centre.
This appliance is designed for domestic use and for the stated
purposes only. It is not suitable for commercial or common
use. If the consumer uses the appliance in a way that does
not comply with these instructions, we emphasise that the
manufacturer and the dealer will not be responsible for any
repair or failure within the guarantee period.
The lifetime of your appliance stated and declared by the
Department of the Industry is 10 years (the period for
retaining parts required for the proper functioning of the
appliance).
Tips for saving energy
1. Install the appliance in a cool, wellventilated room, but
not in direct sunlight and not near a heat source (such
as a radiator or oven) otherwise an insulating plate
should be used.
2. Allow warm food and drinks to cool before placing them
inside the appliance.
3. Place thawing food in the appliance compartment. The
low temperature of the frozen food will help cool the
appliance compartment while the food is thawing. This
will save energy. Frozen food left to thaw outside of the
appliance will result in a waste of energy.
4. Drinks or other liquides should be covered when inside
the appliance. If left uncovered, the humidity inside the
appliance will increase, therefore the appliance uses
more energy. Keeping drinks and other liquids covered
helps preserve their smell and taste.
5. Avoid keeping the doors open for long periods and
opening the doors too frequently as warm air will enter
the appliance and cause the compressor to switch on
unnecessarily often.
6. Keep the covers of the dierent temperature
compartments ( such as the crisper and chiller) closed.
7. The door gasket must be clean and pliable. Replace
gaskets if worn.
Service alarm
If an alarm light illuminates, contact an authorised
service centre.
Press the ‘s.saver’ button to switch the alarm sound
o when there is an alarm and an exclamation mark
on the display. The exclamation mark will continue
to show on the electronic display panel until the
error is xed.
Temperature Adjustment Warnings
• It is not recommended that you operate your fridge in
environments colder than 16°C in terms of its efficiency.
• Do not start another adjustment while you are already
making an adjustment.
• Temperature adjustments should be made according
to the frequency of door openings, the quantity of food
kept inside the fridge and the ambient temperature in
the location of your fridge.
• In order to allow your fridge to reach the operating
temperature after being connected to mains, do not
open the doors frequently or place large quantities of
food in the fridge. Please note that, depending on the
ambient temperature, it may take 24 hours for your
fridge to reach the operating temperature.
• A 5 minute delay function is applied to prevent damage
to the compressor of your fridge when connecting or
disconnecting to mains, or when an energy breakdown
occurs. Your fridge will begin to operate normally after
5 minutes.
• Your appliance is designed to operate in the ambient
temperature (T/SN = 16°C - 43°C) intervals stated in
the standards. We do not recommend operating your
appliance out of the stated temperature limits in terms
of cooling effectiveness.
NOTE: If the ambient temperature is higher than 42°C, the
compartment temperature cannot be set to -23°C or -24°C. It
can only be set to -16°C, -17°C, -18°C, -19°C, -20°C -21°C or -22
°C.

24
Installation warnings
Before using your fridge freezer for the rst time, please pay
attention to the following points:
• Your fridge freezer may have an odour when it is
operated for the first time. This is normal and the odour
will fade when your fridge freezer starts to cool.
• Before connecting your fridge freezer, ensure that the
information on the data plate (voltage and connected
load) matches that of the mains electricity supply. If in
doubt, consult a qualified electrician.
• We do not accept responsibility for any damages that
occur due to ungrounded usage.
• Place your fridge freezer where it will not be exposed to
direct sunlight.
• Your fridge freezer must never be used outdoors or
exposed to rain.
• Your appliance must be at least 50 cm away from stoves,
gas ovens and heater cores, and at least 5 cm away from
electrical ovens.
• If your fridge freezer is placed next to a deep freezer,
there must be at least 2 cm between them to prevent
humidity forming on the outer surface.
• Do not cover the body or top of fridge freezer with lace.
This will affect the performance of your fridge freezer.
• Do not place anything on top of your appliance.
• Do not place heavy items on the appliance.
• Clean the appliance thoroughly before use (see
Cleaning and Maintenance).
• This product is intended to be used in a proper kitchen
units only.
• Before using your fridge freezer, wipe all parts with
a solution of warm water and a teaspoon of sodium
bicarbonate. Then, rinse with clean water and dry.
Return all parts to the fridge freezer after cleaning.
• Use the adjustable front legs to make sure your
appliance is level and stable. You can adjust the legs
by turning them in either direction. This must be done
before placing food in the appliance.
8. Installation

25
ArtNo.600-0034 - Clearances
150 mm
75 mm
Fig. 8.1
Fig. 8.2
Positioning Your Appliance
The refrigerator must be carried by at least 4 people.
The original packaging and foam may be kept for re-
transportation (optional).
Fasten your fridge with thick packaging, bands or strong
cords and follow the instructions for transportation given on
the package.
Remove all movable parts (shelves, accessories, vegetable
bins, etc.) or x them into the fridge against shocks using
bands during re-positioning and transportation.
An ambient sensor, main board and hinge covers are
available on your refrigerator. During cleaning, make sure no
uid enters this area.
Choosing the Right Location
• To ensure adequate ventilation, clearance of at least
150 mm is required at the top of your appliance. The
distance between the appliance and back wall must
be a minimum of 75 mm (Fig. 8.1). Any units placed
above the appliance must be clear by 150mm to allow
sucient ventilation.
• Install the two plastic distance guides to prevent the
condenser from touching the wall. Refer to (Fig. 8.2).
• If locating the refrigerator close to a corner, sufficient
spacing must be left for opening the doors and
removing the shelves (Fig. 8.3).
Avoid exposing the appliance to direct sunlight, and sources
of heat (such as radiators, heaters or cookers).
If this appliance is situated in a cold environment (such as
a shed, outhouse or garage) it will aect its performance.
You may nd that the performance of the appliance is not
consistent and this may damage foods. A consistent ambient
temperature of 16 °C or above is recommended.
ArtNo.600-0033 - Door clearances
75 75
666
347 347
All dimensions in mm
Fig. 8.3
All dimensions in mm

26
Electrical Supply Connection
Connect the appliance to the electrical supply (220-240V ~
50Hz) with the plug and lead, which are tted.
Connections to the mains supply should be in accordance
with local regulations.
DO NOT use plug adapter.
The appliance must be plugged into an earthed
socket.
Always make sure that the plug is accessible after
the appliance has been positioned.
If the electrical cable is damaged or worn, turn o the
refrigerator and consult an authorised agent for replacement.
• The appliance is supplied with a standard 13 amp 3-pin
mains plug fitted with a 13-amp fuse. Should the fuse
require replacement, it must be replaced with a fuse
rated at 13 amp and approved to BS1362.
• If the mains plug which is fitted is unsuitable for the
socket outlet in your home or is removed for any other
reason, please contact an approved electrician.
During Usage
• Do not connect your fridge freezer to the mains
electricity supply using an extension lead.
• Do not use damaged, torn or old plugs.
• Do not pull, bend or damage the cord.
• This appliance is designed for use by adults. Do not
allow children to play with the appliance or hang off the
door.
• Never touch the power cord/plug with wet hands. This
may cause a short circuit or electric shock.
• Do not place glass bottles or cans in the ice-making
compartment as they will burst when the contents
freeze.
• Do not place explosive or flammable material in your
fridge. Place drinks with high alcohol content vertically
in the fridge compartment and make sure their tops are
tightly closed.
• When removing ice from the icemaking compartment,
do not touch it. Ice may cause frost burns and/or cuts.
• Do not touch frozen goods with wet hands. Do not
eat ice-cream or ice cubes immediately after they are
removed from the ice-making compartment.
• Do not re-freeze thawed frozen food. This may cause
health issues such as food poisoning. Old and Out-of-
order Fridges
• If your old fridge or freezer has a lock, break or remove
the lock before discarding it, because children may get
trapped inside it and may cause an accident.
• Old fridges and freezers contain isolation material and
refrigerant with CFC. Therefore, take care not to harm
environment when you are discarding your old fridges.

27
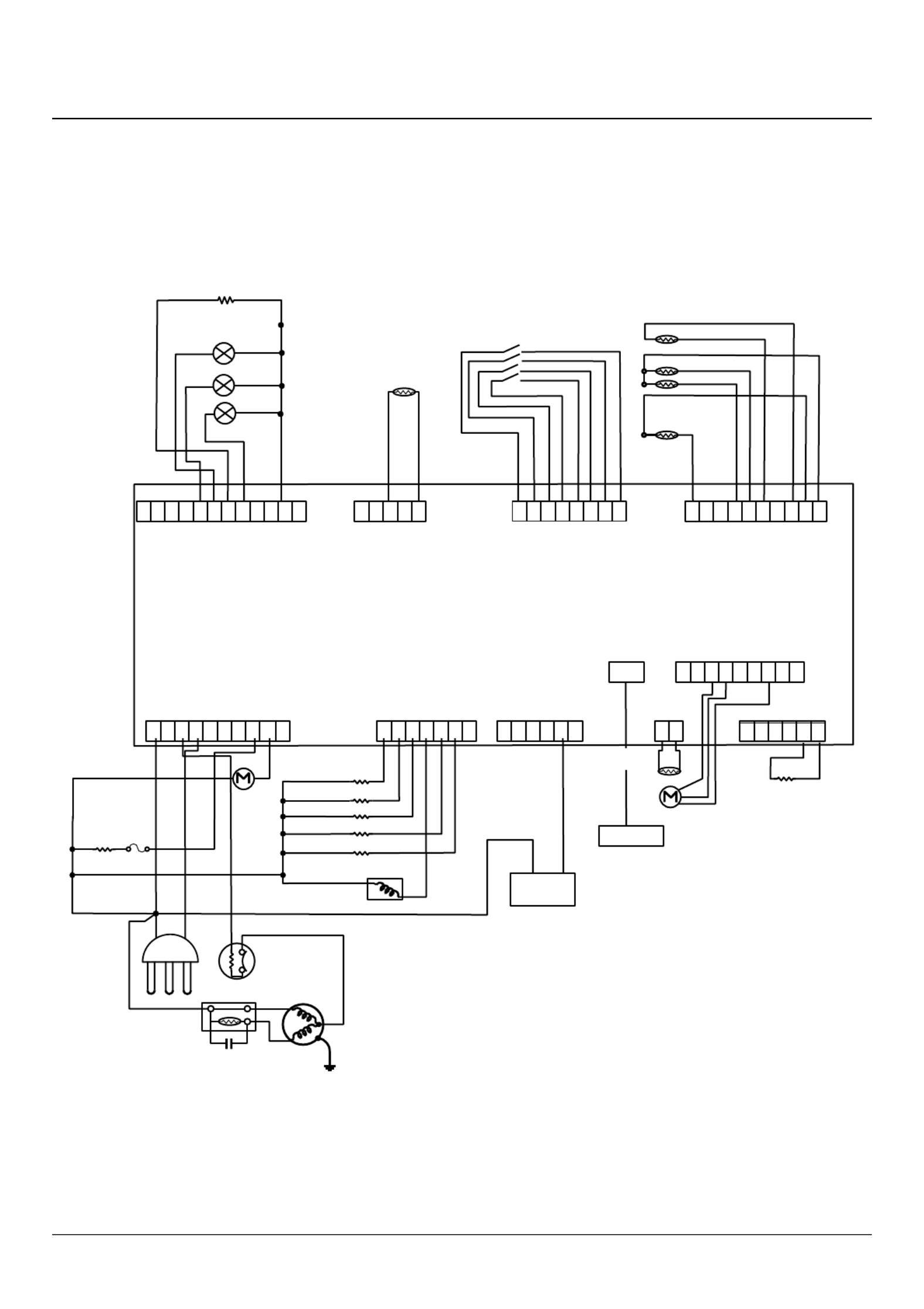
9. Circuit diagram ArtNo.095-0003 - Circuit diagram - 90 induction
1 2 3 4 5 6 7 8 9
1 2
1 2 3 4 5 6 7
PL500 PL501 PL502
PL505
PL510
COOLER NFA
TRIZBAR RES.
DISPLAY
PL508
PL513
EVAPORATOR NFA
CRISPER
MIDDLE BRACKET
DRAIN
FRAME
ACUMULATOR
THERMAL FUSE
DEFROST
HEATER
RAN CAPASITOR
POSITIVE TEMPERATURE
COEFFICIENT
OVERLOAD
PROTECTOR
COMPRESSOR
1 2 3 4 5 6 7 8 9 10 1 2 3 4 5 6
AC IONISER
(OPTIONAL)
5 4 3 2
112 10 111 9 8 7 6 3 25 4 8 7 6 5 4 3 2 1 10 19 8 7 6 3 25 4
DOOR SWITCH 4
DEFROS SENSORT
COOLER SENSOR
SER NTIN SENSORPA
FREEZER SENSOR
DOOR SWITCH 3
DOOR SWITCH 2
LIGHT SENSOR
AIR DUCT RESISTANCE
AIR DUCT
LED 1
LEFT IN
DOOR LED
RIGHT IN
DOOR LED
DOOR SWITCH 1
PL514 PL512 PL507 PL509
5 1 2 3 4 6
VALVE
N E L
AMBIENT
TEMPERATURE

28
10. Technical Data
INSTALLER: Please leave these instructions with the user.
DATA BADGE LOCATION: Left-hand side of the refrigerator compartment.
COUNTRY OF DESTINATION: GB, IE.
Dimensions
ArtNo.600-0044 - DxD dimensions
763 910
All dimensions in mm
1850
1064
1156.4
Depth with
open door
1146
817.2 Depth including handles
1616.2
140°

29
Ratings
Brand RANGEMASTER
Model identication
RDXD18IV/C
RDXD18BL/C
RDXD18SS/C
RDXD18DI/C
Product category 7 (Fridge - Freezer)
Mass kg 144.3
Number of cavities 3
Energy class A+
Annual energy consumption* 473 kWh
Total gross volume 653 litres
Total net volume 557 litres
Refrigerator gross volume 418 litres
Refrigerator net volume 390 litres
Chiller compartment net volume 38 litres
Freezer gross volume 235 litres
Freezer net volume 167 litres
Star rating ****
Refrigeration system NO FROST
Temperature rise time (-18°C/-9°C) 24 Hours
Freezing capacity 20 kg / 24 h
Climate class ** T/N (16°C - 43°C)
Noise emission 45 dB(A)
Energy consumption of 473 kWh per year, calculated on the basis of results obtained in 24 hours under normalised test
conditions. Real energy consumption depends on the conditions in which the equipment is used as well as where it is
placed.
This appliance is designed for use at an ambient temperature within the 16°C - 43°C range.

30
If consultation or technical assistance is needed, please
provide the local authorised service agent with the purchase
invoice and the product code/serial number.
The 2 years free maintenance for the operation of the
appliance started from the date of purchase of this product.
Any cosmetic damage to the appliance must be reported
within 30 days of delivery.
Please note that AGA Rangemaster Limited have appointed
Pacica to administer in warranty repairs on our behalf. If you
make a request for an in warranty repair, your details will be
held by Pacica
DocNo.111-0003 Warranty No.10
11. Warranty/After Sales Service

31
NOTES

32
NOTES

33
NOTE

34
NOTE
Produktspecifikationer
| Varumärke: | Rangemaster |
| Kategori: | kylskåp |
| Modell: | RDXD18DI/C |
Behöver du hjälp?
Om du behöver hjälp med Rangemaster RDXD18DI/C ställ en fråga nedan och andra användare kommer att svara dig
kylskåp Rangemaster Manualer
17 Augusti 2024
16 Augusti 2024
10 Augusti 2024
8 Augusti 2024
4 Augusti 2024
4 Augusti 2024
28 Juli 2024
kylskåp Manualer
- DCS
- HABAU
- Café
- Comfee
- Dometic
- ETA
- Fridgemaster
- Nodor
- Gamko
- Moulinex
- Arctic Air
- Bauknecht
- Hoshizaki
- Nuna
- Caso
Nyaste kylskåp Manualer
23 Oktober 2025
23 Oktober 2025
23 Oktober 2025
23 Oktober 2025
23 Oktober 2025
23 Oktober 2025
21 Oktober 2025
21 Oktober 2025
20 Oktober 2025
20 Oktober 2025