Decimator 12G-CROSS Bruksanvisning
Decimator
Inte kategoriserad
12G-CROSS
Läs gratis den bruksanvisning för Decimator 12G-CROSS (13 sidor) i kategorin Inte kategoriserad. Guiden har ansetts hjälpsam av 19 personer och har ett genomsnittsbetyg på 4.3 stjärnor baserat på 10 recensioner. Har du en fråga om Decimator 12G-CROSS eller vill du ställa frågor till andra användare av produkten? Ställ en fråga
Sida 1/13

HDMI / SDI 4K CROSS CONVERTER
with Scaling and Frame Rate Conversion
OPERATING MANUAL

12G-CROSS OPERATING MANUAL VERSION 1.0
Copyright © 2020-2023 Decimator Design Pty Ltd, Sydney, Australia
E&OE
1
Introduction
Thank you for purchasing the 12G-CROSS HDMI / SDI 4K CROSS CONVERTER.
The 12G-CROSS is a truly portable converter, which incorporates our easy to use LCD and button control
system. This gives you easy access to most of the amazing features that have been unavailable without a
computer until now. The days of having to play with complicated dip switches or having to carry around a
computer to change a simple setting are gone.
The 12G-CROSS can be controlled using our USB Control panel available at
http://decimator.com/DOWNLOADS/DOWNLOADS.html
The 12G-CROSS features the following four modes:
1. HDMI to SDI while simultaneously converting SDI to HDMI
2. HDMI to HDMI while simultaneously converting SDI to SDI
3. HDMI to SDI and HDMI
4. SDI to SDI and HDMI
The 4K scaling engine can be driven by either the SDI or HDMI inputs, supports horizontal and/or vertical
flipping and can be locked to either the SDI, HDMI or Genlock inputs.
This unit also includes:
• Support for VESA formats via the HDMI input
• Support for 2K and 4K Format conversions on the output
• Support for both 3G level A and B on the input and output
• Horizontal and/or Vertical image flipping via the scaler
• 2 x (12G/6G/3G/HD/SD)-SDI Active Loop-Through or Additional Output
• Audio Pair Rearrangement
• Robust Aluminium Case
• USB port for control and firmware updates
• Metal Thread Locking DC Power Socket
• Power Supply, HDMI Cable and USB Cable

12G-CROSS OPERATING MANUAL VERSION 1.0
Copyright © 2020-2023 Decimator Design Pty Ltd, Sydney, Australia
E&OE
2
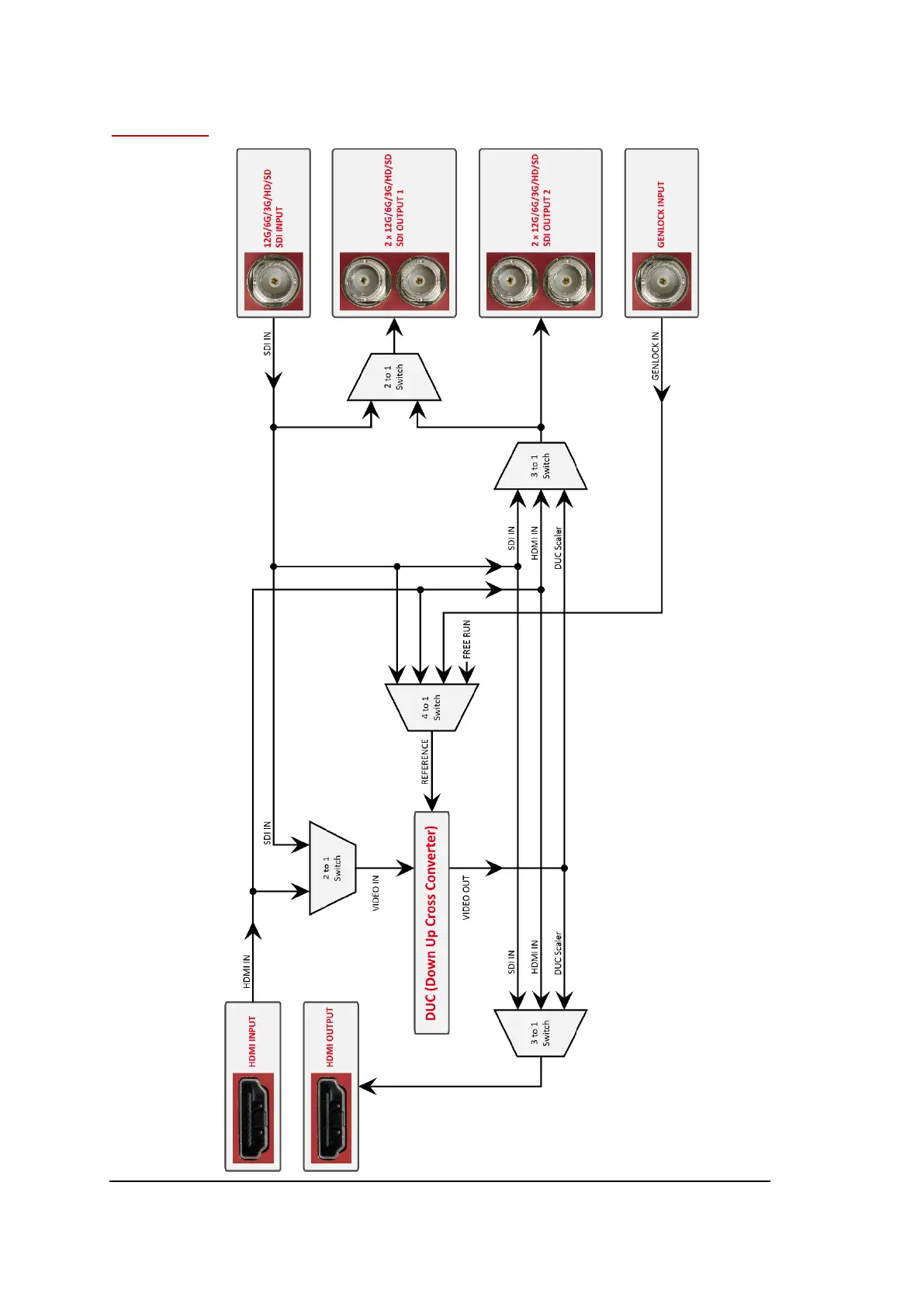
Flow Chart
Produktspecifikationer
Varumärke: | Decimator |
Kategori: | Inte kategoriserad |
Modell: | 12G-CROSS |
Behöver du hjälp?
Om du behöver hjälp med Decimator 12G-CROSS ställ en fråga nedan och andra användare kommer att svara dig
Inte kategoriserad Decimator Manualer
11 December 2024
11 December 2024
Inte kategoriserad Manualer
- Absima
- Hirschmann
- Lenoxx
- Gami
- Nabo
- Prowise
- POGS
- Tellur
- Ergodyne
- SAVS
- Nexa
- Thalheimer
- Intellinet
- MiPow
- Proxxon
Nyaste Inte kategoriserad Manualer
9 April 2025
9 April 2025
9 April 2025
9 April 2025
9 April 2025
9 April 2025
9 April 2025
9 April 2025
9 April 2025
9 April 2025