Decimator MD-Cross V2 Bruksanvisning
Decimator
Inte kategoriserad
MD-Cross V2
Läs gratis den bruksanvisning för Decimator MD-Cross V2 (16 sidor) i kategorin Inte kategoriserad. Guiden har ansetts hjälpsam av 19 personer och har ett genomsnittsbetyg på 3.9 stjärnor baserat på 10 recensioner. Har du en fråga om Decimator MD-Cross V2 eller vill du ställa frågor till andra användare av produkten? Ställ en fråga
Sida 1/16

HDMI/(3G/HD/SD)‐SDICROSSCONVERTER
withScalingandFrameRateConversion
OPERATINGMANUAL

MD‐CROSSV2OPERATINGMANUALVERSION1.3
Copyright©2015DecimatorDesignPtyLtd,Sydney,Australia
E&OE
1
Introduction
ThankyouforpurchasingtheMD‐CROSSHDMI/(3G/HD/SD)‐SDICrossConverter.
TheMD‐CROSSisatrulyportableconverter,whichincorporatesourneweasytouseLCDandbuttoncontrol
system.Thisgivesyoueasyaccesstoalloftheamazingfeaturesthathavebeenunavailablewithouta
computeruntilnow.Thedaysofhavingtoplaywithcomplicateddipswitchesorhavingtocarryarounda
computertochangeasimplesettingaregone.
TheMD‐CROSSfeaturesthefollowingfourmodes:
1. HDMItoSDIwhilesimultaneouslyconvertingSDItoHDMI
2. HDMItoHDMIwhile
simultaneouslyconvertingSDItoSDI
3. HDMItoSDIandHDMI
4. SDItoSDIandHDMI
TheMD‐CROSSincludesthesameDownUpCrossConverterfromourmulti‐awardwinningMD‐DUCC,allowing
eithertheHDMIorSDIinputtobescaledand/orframerateconvertedtothe
requiredstandard.
TheMD‐CROSSincludestheProfessional3G/HD/SDTestPatternGeneratorfeaturing:
26SelectableOutputFormats
54TestPatternsincludingLumaandChromaZone‐plates
AudioTestToneGenerator
Thisunitalsoincludes:
Supportforboth3GlevelAandBontheinputandoutput
Horizontaland/orVerticalimageflippingviathescaler
2x(3G/HD/SD)‐SDIActiveLoop‐ThroughorAdditionalOutput
Full16‐ChannelAudioMeteringOverlays
AdjustableSafeTitleandSafeActionOverlaysandstaticCentreCross
TextOverlays
USBportforcontrolandfirmwareupdates
NewMetalThreadLockingDCPowerSocket
PowerSupply,HDMICableandUSBCable

MD‐CROSSV2OPERATINGMANUALVERSION1.3
Copyright©2015DecimatorDesignPtyLtd,Sydney,Australia
E&OE
2
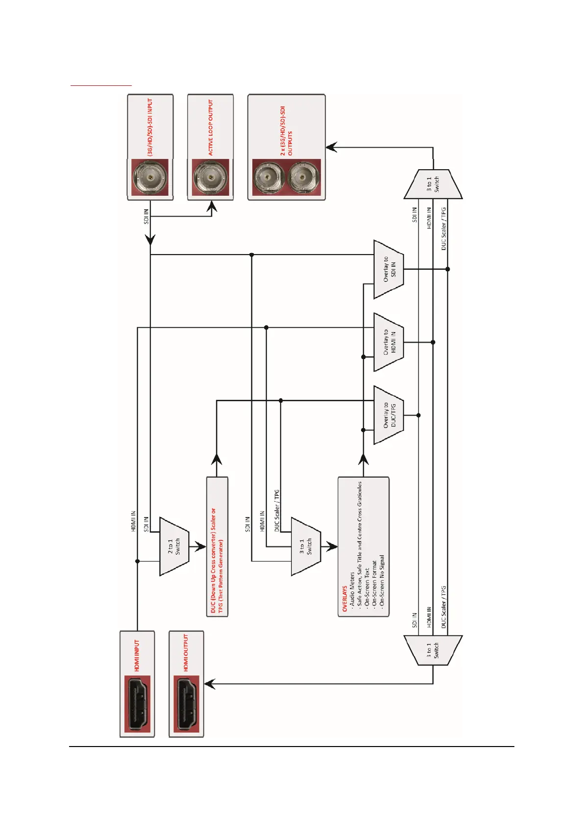
FlowChart
Produktspecifikationer
Varumärke: | Decimator |
Kategori: | Inte kategoriserad |
Modell: | MD-Cross V2 |
Behöver du hjälp?
Om du behöver hjälp med Decimator MD-Cross V2 ställ en fråga nedan och andra användare kommer att svara dig
Inte kategoriserad Decimator Manualer
11 December 2024
11 December 2024
Inte kategoriserad Manualer
- Lindemann
- BH Fitness
- Sylvania
- System Sensor
- Integral
- Ansco
- Soundskins
- Asaklitt
- MOZOS
- ASM
- Salora
- Koenig
- SureFlap
- Selfsat
- NOCO
Nyaste Inte kategoriserad Manualer
9 April 2025
9 April 2025
9 April 2025
9 April 2025
9 April 2025
9 April 2025
9 April 2025
9 April 2025
9 April 2025
9 April 2025